Adaptéry pre kužeľové puzdrá
Material: Grey cast iron GG25.
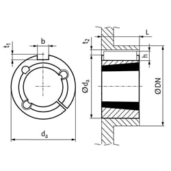
Hub for fixing a sprocket or similar parts with a low priced taper bush onto a shaft. The sprocket must get a center hole Ø D (recommended tolerance: H8) and a special keyway. Then, the taper bush can get inserted into the adaptor and both parts can get inserted into the wheel. The taper bush, the sprocket and the key have to be ordered separately.
* Special keyway size.
** Feather key not like DIN.
In this youtube video we show the mounting and demounting of taper bushes: Video clip (3.5 Minutes)
| SKU | for Taper Bush size | Øda [mm] | L [mm] | b x h * [mm] | t1 * [mm] | t2 * [mm] | Ød min. for steel [mm] | Ød min. for cast iron [mm] | Weight [kg] |
|---|---|---|---|---|---|---|---|---|---|
| 14090160 | 1008 | 45 | 22 | 5 x 5 | 2,5 | 2,8 | 60 | 75 | 0,10 |
| 14090162 | 1210 | 60 | 25 | 6 x 6 | 3,0 | 3,3 | 85 | 105 | 0,11 |
| 14090164 | 1610 | 70 | 25 | 10 x 8 | 4,0 | 4,3 | 95 | 115 | 0,24 |
| 14090165 | 1615 | 70 | 38 | 10 x 8 | 4,0 | 4,3 | 95 | 115 | 0,38 |
| 14090167 | 2517 | 105 | 45 | 16 x 10 | 4,0 | 6,3 | 130 | 150 | 1,00 |
| 14090169 | 3030 | 130 | 76 | 20 x 12 | 5,0 | 7,4 | 160 | 190 | 2,59 |
| 14090171 | 3535 | 160 | 90 | 22 x 12 ** | 5,0 | 7,4 | 200 | 240 | 5,36 |
| 14090173 | 4040 | 185 | 102 | 24 x 12 ** | 5,0 | 7,4 | 240 | 290 | 8,60 |