Guličkové ložiská SKF®
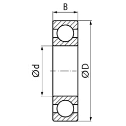
Single row deep groove radial ball bearingsMaterial: Bearing steel.- Standard ball bearings in premium-quality.- Most common bearing type.- Usable for high speed. - Insensitive in use and maintenance. - On choice: Open, with friction-free metal shields 2Z (= ZZ). or with contacting rubber seals 2RS1 / 2RSH.Temperature range: -30°C to +90°C (caused by type of lubrication), short-term up to +110°C. Other versions or other bearing types on request.
| SKU | d [mm] | D [mm] | B [mm] | Type | Load Rating dyn. C [k N] | Load Rating stat. C0 [k N] | Maximum Speed [min-1] | Weight [g] |
|---|---|---|---|---|---|---|---|---|
| 623-2Z-SKF | 3 | 10 | 4 | beidseitig Deckscheiben | 0,54 | 0,18 | 60.000 | 1,5 |
| 624-2Z-SKF | 4 | 13 | 5 | beidseitig Deckscheiben | 0,94 | 0,29 | 53.000 | 3,1 |
| 625-SKF | 5 | 16 | 5 | offen | 1,14 | 0,38 | 60.000 | 5 |
| 625-2Z-SKF | 5 | 16 | 5 | beidseitig Deckscheiben | 1,14 | 0,38 | 48.000 | 5 |
| 625-2RS1-SKF | 5 | 16 | 5 | beidseitig abgedichtet | 1,14 | 0,38 | 48.000 | 5 |
| 626-SKF | 6 | 19 | 6 | offen | 2,34 | 0,95 | 50.000 | 8,4 |
| 626-2Z-SKF | 6 | 19 | 6 | beidseitig Deckscheiben | 2,34 | 0,95 | 40.000 | 8,4 |
| 626-2RSH-SKF | 6 | 19 | 6 | beidseitig abgedichtet | 2,34 | 0,95 | 24.000 | 8,4 |
| 607-2Z-SKF | 7 | 19 | 6 | beidseitig Deckscheiben | 2,34 | 0,95 | 43.000 | 7,5 |
| 607-2RSH-SKF | 7 | 19 | 6 | beidseitig abgedichtet | 2,34 | 0,95 | 24.000 | 7,5 |
| 627-2Z-SKF | 7 | 22 | 7 | beidseitig Deckscheiben | 3,45 | 1,37 | 36.000 | 13 |
| 627-2RSH-SKF | 7 | 22 | 7 | beidseitig abgedichtet | 3,45 | 1,37 | 22.000 | 12 |
| 608-SKF | 8 | 22 | 7 | offen | 3,45 | 1,37 | 48.000 | 12 |
| 608-2Z-SKF | 8 | 22 | 7 | beidseitig Deckscheiben | 3,45 | 1,37 | 38.000 | 12 |
| 608-2RSH-SKF | 8 | 22 | 7 | beidseitig abgedichtet | 3,45 | 1,37 | 22.000 | 12 |
| 609-2Z-SKF | 9 | 24 | 7 | beidseitig Deckscheiben | 3,9 | 1,66 | 34.000 | 14 |
| 609-2RSH-SKF | 9 | 24 | 7 | beidseitig abgedichtet | 3,9 | 1,66 | 19.000 | 14 |
| 629-2Z-SKF | 9 | 26 | 8 | beidseitig Deckscheiben | 4,75 | 1,96 | 30.000 | 20 |
| 629-2RSH-SKF | 9 | 26 | 8 | beidseitig abgedichtet | 4,75 | 1,96 | 19.000 | 20 |
| 61800-SKF | 10 | 19 | 5 | offen | 1,38 | 0,59 | 48.000 | 5,5 |
| 61800-2Z-SKF | 10 | 19 | 5 | beidseitig Deckscheiben | 1,38 | 0,59 | 38.000 | 5,5 |
| 61800-2RS1-SKF | 10 | 19 | 5 | beidseitig abgedichtet | 1,38 | 0,59 | 22.000 | 5,5 |
| 6000-SKF | 10 | 26 | 8 | offen | 4,75 | 1,96 | 40.000 | 19 |
| 6000-2Z-SKF | 10 | 26 | 8 | beidseitig Deckscheiben | 4,75 | 1,96 | 34.000 | 19 |
| 6000-2RSH-SKF | 10 | 26 | 8 | beidseitig abgedichtet | 4,75 | 1,96 | 19.000 | 19 |
| 6200-SKF | 10 | 30 | 9 | offen | 5,4 | 2,36 | 34.000 | 32 |
| 6200-2Z-SKF | 10 | 30 | 9 | beidseitig Deckscheiben | 5,4 | 2,36 | 28.000 | 32 |
| 6200-2RSH-SKF | 10 | 30 | 9 | beidseitig abgedichtet | 5,4 | 2,36 | 17.000 | 32 |
| 6300-2Z-SKF | 10 | 35 | 11 | beidseitig Deckscheiben | 8,52 | 3,4 | 26.000 | 53 |
| 6300-2RSH-SKF | 10 | 35 | 11 | beidseitig abgedichtet | 8,52 | 3,4 | 15.000 | 53 |
| 61801-SKF | 12 | 21 | 5 | offen | 1,43 | 0,67 | 43.000 | 6,3 |
| 61801-2Z-SKF | 12 | 21 | 5 | beidseitig Deckscheiben | 1,43 | 0,67 | 36.000 | 6,3 |
| 61801-2RS1-SKF | 12 | 21 | 5 | beidseitig abgedichtet | 1,43 | 0,67 | 20.000 | 6,3 |
| 6001-SKF | 12 | 28 | 8 | offen | 5,4 | 2,36 | 38.000 | 22 |
| 6001-2Z-SKF | 12 | 28 | 8 | beidseitig Deckscheiben | 5,4 | 2,36 | 30.000 | 22 |
| 6001-2RSH-SKF | 12 | 28 | 8 | beidseitig abgedichtet | 5,4 | 2,36 | 17.000 | 22 |
| 6201-SKF | 12 | 32 | 10 | offen | 7,28 | 3,1 | 32.000 | 37 |
| 6201-2Z-SKF | 12 | 32 | 10 | beidseitig Deckscheiben | 7,28 | 3,1 | 26.000 | 37 |
| 6201-2RSH-SKF | 12 | 32 | 10 | beidseitig abgedichtet | 7,28 | 3,1 | 15.000 | 37 |
| 6301-2Z-SKF | 12 | 37 | 12 | beidseitig Deckscheiben | 10,1 | 4,15 | 22.000 | 60 |
| 6301-2RSH-SKF | 12 | 37 | 12 | beidseitig abgedichtet | 10,1 | 4,15 | 14.000 | 60 |
| 61802-2Z-SKF | 15 | 24 | 5 | beidseitig Deckscheiben | 1,56 | 0,8 | 30.000 | 7,4 |
| 61802-2RS1-SKF | 15 | 24 | 5 | beidseitig abgedichtet | 1,56 | 0,8 | 17.000 | 7,4 |
| 6002-SKF | 15 | 32 | 9 | offen | 5,85 | 2,85 | 32.000 | 30 |
| 6002-2Z-SKF | 15 | 32 | 9 | beidseitig Deckscheiben | 5,85 | 2,85 | 26.000 | 30 |
| 6002-2RSH-SKF | 15 | 32 | 9 | beidseitig abgedichtet | 5,85 | 2,85 | 14.000 | 30 |
| 6202-SKF | 15 | 35 | 11 | offen | 8,06 | 3,75 | 28.000 | 45 |
| 6202-2Z-SKF | 15 | 35 | 11 | beidseitig Deckscheiben | 8,06 | 3,75 | 22.000 | 45 |
| 6202-2RSH-SKF | 15 | 35 | 11 | beidseitig abgedichtet | 8,06 | 3,75 | 13.000 | 45 |
| 6302-SKF | 15 | 42 | 13 | offen | 11,9 | 5,4 | 24.000 | 82 |
| 6302-2Z-SKF | 15 | 42 | 13 | beidseitig Deckscheiben | 11,9 | 5,4 | 19.000 | 82 |
| 6302-2RSH-SKF | 15 | 42 | 13 | beidseitig abgedichtet | 11,9 | 5,4 | 12.000 | 82 |
| 61803-2Z-SKF | 17 | 26 | 5 | beidseitig Deckscheiben | 1,68 | 0,93 | 28.000 | 8,2 |
| 61803-2RS1-SKF | 17 | 26 | 5 | beidseitig abgedichtet | 1,68 | 0,93 | 16.000 | 8,2 |
| 6003-SKF | 17 | 35 | 10 | offen | 6,37 | 3,25 | 28.000 | 39 |
| 6003-2Z-SKF | 17 | 35 | 10 | beidseitig Deckscheiben | 6,37 | 3,25 | 22.000 | 39 |
| 6003-2RSH-SKF | 17 | 35 | 10 | beidseitig abgedichtet | 6,37 | 3,25 | 13.000 | 39 |
| 6203-SKF | 17 | 40 | 12 | offen | 9,95 | 4,75 | 24.000 | 65 |
| 6203-2Z-SKF | 17 | 40 | 12 | beidseitig Deckscheiben | 9,95 | 4,75 | 19.000 | 65 |
| 6203-2RSH-SKF | 17 | 40 | 12 | beidseitig abgedichtet | 9,95 | 4,75 | 12.000 | 65 |
| 6303-SKF | 17 | 47 | 14 | offen | 14,3 | 6,55 | 22.000 | 120 |
| 6303-2Z-SKF | 17 | 47 | 14 | beidseitig Deckscheiben | 14,3 | 6,55 | 17.000 | 120 |
| 6303-2RSH-SKF | 17 | 47 | 14 | beidseitig abgedichtet | 14,3 | 6,55 | 11.000 | 120 |
| 6004-SKF | 20 | 42 | 12 | offen | 9,95 | 5 | 24.000 | 69 |
| 6004-2Z-SKF | 20 | 42 | 12 | beidseitig Deckscheiben | 9,95 | 5 | 19.000 | 69 |
| 6004-2RSH-SKF | 20 | 42 | 12 | beidseitig abgedichtet | 9,95 | 5 | 11.000 | 69 |
| 6204-SKF | 20 | 47 | 14 | offen | 13,5 | 6,55 | 20.000 | 110 |
| 6204-2Z-SKF | 20 | 47 | 14 | beidseitig Deckscheiben | 13,5 | 6,55 | 17.000 | 110 |
| 6204-2RSH-SKF | 20 | 47 | 14 | beidseitig abgedichtet | 13,5 | 6,55 | 10.000 | 110 |
| 6304-SKF | 20 | 52 | 15 | offen | 16,8 | 7,8 | 19.000 | 140 |
| 6304-2Z-SKF | 20 | 52 | 15 | beidseitig Deckscheiben | 16,8 | 7,8 | 15.000 | 140 |
| 6304-2RSH-SKF | 20 | 52 | 15 | beidseitig abgedichtet | 16,8 | 7,8 | 9.500 | 140 |
| 6005-SKF | 25 | 47 | 12 | offen | 11,9 | 6,55 | 20.000 | 80 |
| 6005-2Z-SKF | 25 | 47 | 12 | beidseitig Deckscheiben | 11,9 | 6,55 | 16.000 | 80 |
| 6005-2RSH-SKF | 25 | 47 | 12 | beidseitig abgedichtet | 11,9 | 6,55 | 9.500 | 80 |
| 6205-SKF | 25 | 52 | 15 | offen | 14,8 | 7,8 | 18.000 | 130 |
| 6205-2Z-SKF | 25 | 52 | 15 | beidseitig Deckscheiben | 14,8 | 7,8 | 14.000 | 130 |
| 6205-2RSH-SKF | 25 | 52 | 15 | beidseitig abgedichtet | 14,8 | 7,8 | 8.500 | 130 |
| 6305-SKF | 25 | 62 | 17 | offen | 23,4 | 11,6 | 16.000 | 230 |
| 6305-2Z-SKF | 25 | 62 | 17 | beidseitig Deckscheiben | 23,4 | 11,6 | 13.000 | 230 |
| 6305-2RS1-SKF | 25 | 62 | 17 | beidseitig abgedichtet | 23,4 | 11,6 | 7.500 | 230 |
| 6006-SKF | 30 | 55 | 13 | offen | 13,8 | 8,3 | 17.000 | 120 |
| 6006-2Z-SKF | 30 | 55 | 13 | beidseitig Deckscheiben | 13,8 | 8,3 | 14.000 | 120 |
| 6006-2RS1-SKF | 30 | 55 | 13 | beidseitig abgedichtet | 13,8 | 8,3 | 8.000 | 120 |
| 6206-SKF | 30 | 62 | 16 | offen | 20,3 | 11,2 | 15.000 | 200 |
| 6206-2Z-SKF | 30 | 62 | 16 | beidseitig Deckscheiben | 20,3 | 11,2 | 12.000 | 200 |
| 6206-2RS1-SKF | 30 | 62 | 16 | beidseitig abgedichtet | 20,3 | 11,2 | 7.500 | 200 |
| 6306-SKF | 30 | 72 | 19 | offen | 29,6 | 16 | 13.000 | 350 |
| 6306-2Z-SKF | 30 | 72 | 19 | beidseitig Deckscheiben | 29,6 | 16 | 11.000 | 350 |
| 6306-2RS1-SKF | 30 | 72 | 19 | beidseitig abgedichtet | 29,6 | 16 | 6.300 | 350 |
| 6007-SKF | 35 | 62 | 14 | offen | 16,8 | 10,2 | 15.000 | 160 |
| 6007-2Z-SKF | 35 | 62 | 14 | beidseitig Deckscheiben | 16,8 | 10,2 | 12.000 | 160 |
| 6007-2RS1-SKF | 35 | 62 | 14 | beidseitig abgedichtet | 16,8 | 10,2 | 7.000 | 160 |
| 6207-SKF | 35 | 72 | 17 | offen | 27 | 15,3 | 13.000 | 290 |
| 6207-2Z-SKF | 35 | 72 | 17 | beidseitig Deckscheiben | 27 | 15,3 | 10.000 | 290 |
| 6207-2RS1-SKF | 35 | 72 | 17 | beidseitig abgedichtet | 27 | 15,3 | 6.300 | 290 |
| 6307-SKF | 35 | 80 | 21 | offen | 35,1 | 19 | 12.000 | 460 |
| 6307-2Z-SKF | 35 | 80 | 21 | beidseitig Deckscheiben | 35,1 | 19 | 9.500 | 460 |
| 6307-2RS1-SKF | 35 | 80 | 21 | beidseitig abgedichtet | 35,1 | 19 | 6.000 | 460 |
| 6008-SKF | 40 | 68 | 15 | offen | 17,8 | 11,6 | 14.000 | 190 |
| 6008-2Z-SKF | 40 | 68 | 15 | beidseitig Deckscheiben | 17,8 | 11,6 | 11.000 | 190 |
| 6008-2RS1-SKF | 40 | 68 | 15 | beidseitig abgedichtet | 17,8 | 11,6 | 6.300 | 190 |
| 6208-SKF | 40 | 80 | 18 | offen | 32,5 | 19 | 11.000 | 370 |
| 6208-2Z-SKF | 40 | 80 | 18 | beidseitig Deckscheiben | 32,5 | 19 | 9.000 | 370 |
| 6208-2RS1-SKF | 40 | 80 | 18 | beidseitig abgedichtet | 32,5 | 19 | 5.600 | 370 |
| 6308-SKF | 40 | 90 | 23 | offen | 42,3 | 24 | 11.000 | 630 |
| 6308-2Z-SKF | 40 | 90 | 23 | beidseitig Deckscheiben | 42,3 | 24 | 8.500 | 630 |
| 6308-2RS1-SKF | 40 | 90 | 23 | beidseitig abgedichtet | 42,3 | 24 | 5.000 | 630 |
| 6009-SKF | 45 | 75 | 16 | offen | 22,1 | 14,6 | 12.000 | 250 |
| 6009-2Z-SKF | 45 | 75 | 16 | beidseitig Deckscheiben | 22,1 | 14,6 | 10.000 | 250 |
| 6009-2RS1-SKF | 45 | 75 | 16 | beidseitig abgedichtet | 22,1 | 14,6 | 5.600 | 250 |
| 6209-SKF | 45 | 85 | 19 | offen | 35,1 | 21,6 | 11.000 | 410 |
| 6209-2Z-SKF | 45 | 85 | 19 | beidseitig Deckscheiben | 35,1 | 21,6 | 8.500 | 410 |
| 6209-2RS1-SKF | 45 | 85 | 19 | beidseitig abgedichtet | 35,1 | 21,6 | 5.000 | 410 |
| 6309-SKF | 45 | 100 | 25 | offen | 55,3 | 31,5 | 9.500 | 830 |
| 6309-2Z-SKF | 45 | 100 | 25 | beidseitig Deckscheiben | 55,3 | 31,5 | 7.500 | 830 |
| 6309-2RS1-SKF | 45 | 100 | 25 | beidseitig abgedichtet | 55,3 | 31,5 | 4.500 | 830 |
| 6010-SKF | 50 | 80 | 16 | offen | 22,9 | 16 | 11.000 | 260 |
| 6010-2Z-SKF | 50 | 80 | 16 | beidseitig Deckscheiben | 22,9 | 16 | 9.000 | 260 |
| 6010-2RS1-SKF | 50 | 80 | 16 | beidseitig abgedichtet | 22,9 | 16 | 5.000 | 260 |
| 6210-SKF | 50 | 90 | 20 | offen | 37,1 | 23,2 | 10.000 | 460 |
| 6210-2Z-SKF | 50 | 90 | 20 | beidseitig Deckscheiben | 37,1 | 23,2 | 8.000 | 460 |
| 6210-2RS1-SKF | 50 | 90 | 20 | beidseitig abgedichtet | 37,1 | 23,2 | 4.800 | 460 |
| 6310-SKF | 50 | 110 | 27 | offen | 65 | 38 | 8.500 | 1050 |
| 6310-2Z-SKF | 50 | 110 | 27 | beidseitig Deckscheiben | 65 | 38 | 6.700 | 1050 |
| 6310-2RS1-SKF | 50 | 110 | 27 | beidseitig abgedichtet | 65 | 38 | 4.300 | 1050 |