Guličkové prírubové ložiská SBFW (UBFW, sivá liatina)


Material: Housing from grey cast iron. Rolling bearing from bearing steel.
The rolling bearing can be swiveled when mounting to compensate shaft misalignment. The shaft will get fastened with 2 setscrews. Lubricated for life at normal operating conditions. Re-lubricating is possible.
Delivery with grease nipple.
* Maximum radial load if axial force = 0. The axial load rating is approx. 20% of the radial load rating.
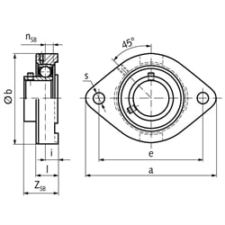
SKU | SBFW [Nr.] | Bohrung [mm] | a [mm] | b [mm] | e [mm] | i [mm] | l [mm] | s [mm] | ZSB [mm] | n SB [mm] | Lager-Tragzahl* dyn. C [k N] | Lager-Tragzahl* stat. C0 [k N] | Weight [kg] |
---|---|---|---|---|---|---|---|---|---|---|---|---|---|
62681500 | 202 | 15 | 81 | 59 | 63,5 | 7,5 | 15 | 7 | 23,5 | 6 | 8,2 | 4,1 | 0,29 |
62681700 | 203 | 17 | 81 | 59 | 63,5 | 7,5 | 15 | 7 | 23,5 | 6 | 8,2 | 4,1 | 0,28 |
62682000 | 204 | 20 | 90,5 | 66,5 | 71,4 | 9,5 | 17 | 10 | 27,5 | 7 | 10,9 | 5,7 | 0,38 |
62682500 | 205 | 25 | 97 | 71 | 76,2 | 9,5 | 17,5 | 10 | 29 | 7,5 | 11,9 | 6,7 | 0,46 |
62683000 | 206 | 30 | 112,5 | 84 | 90,5 | 10 | 21 | 12 | 32,0 | 8 | 16,6 | 9,6 | 0,71 |
62683500 | 207 | 35 | 126 | 94 | 100 | 10 | 22 | 12 | 33,5 | 8,5 | 21,8 | 13,1 | 0,95 |
62684000 | 208 | 40 | 148 | 104 | 119 | 14,5 | 25 | 14 | 39,5 | 9 | 27,2 | 15,1 | 1,20 |