Guličkové ložiská s ložiskovým systémom TUCP, termoplastické, čierne
Material: Housing: Stainless steel 1.4301 (AISI 304). Rolling bearing: Stainless steel 1.4125 (AISI 440C), lubricated with grease FM 222 for food processing machinery, with registration FDA, CIFA, KPF2K-20, NSF H1.
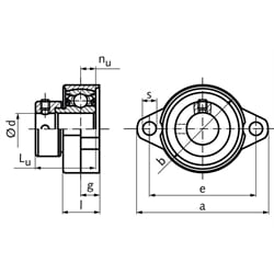
The rolling bearing can be swiveled when mounting to compensate shaft misalignement. During assembly, the eccentric ring and the inner bearing ring are turned against each other to clamp the shaft. The eccentric ring is additionally secured on the shaft with 1 set screw. Lubricated for life at normal operating conditions.
1) Maximum radial load if axial force = 0. The axial load rating is approx. 20% of the radial load rating.
| SKU | Nr. | d [mm] | a [mm] | b [mm] | e [mm] | g [mm] | l [mm] | s [mm] | Lu [mm] | nu [mm] | Lager Tragzahlen1) dyn. C [k N] | Lager Tragzahlen1) stat. Co [k N] | Gewicht [g] |
|---|---|---|---|---|---|---|---|---|---|---|---|---|---|
| 62699710 | 000 | 10 | 60 | 36 | 45 | 5,5 | 11,5 | 7 | 17,5 | 4 | 4,0 | 1,6 | 80 |
| 62699712 | 001 | 12 | 63 | 38 | 48 | 5,5 | 11,5 | 7 | 17,5 | 4 | 4,4 | 1,95 | 90 |
| 62699715 | 002 | 15 | 67 | 42 | 53 | 6,5 | 13 | 7 | 18,5 | 4,5 | 4,85 | 2,3 | 120 |
| 62699717 | 003 | 17 | 71 | 46 | 56 | 7 | 14 | 7 | 20,5 | 5 | 5,2 | 2,7 | 140 |
| 62699720 | 004 | 20 | 90 | 55 | 71 | 8 | 16 | 10 | 24,5 | 6 | 8,1 | 4,1 | 250 |
| 62699725 | 005 | 25 | 95 | 60 | 75 | 8 | 16 | 10 | 25,5 | 6 | 8,75 | 4,75 | 280 |