Guličkové prírubové ložiská UCFA, sivá liatina


Material: Housing from grey cast iron. Rolling bearing from bearing steel. With 2 mounting holes, one of them slotted. The rolling bearing can be swiveled when mounting to compensate shaft misalignement. The shaft will get fastened with 2 setscrews. Lubricated for life at normal operating conditions. Re-lubricating is possible. Delivery with grease nipple.
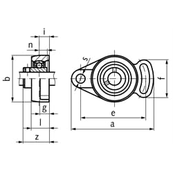
SKU | Type | Bore [mm] | a [mm] | b [mm] | e [mm] | i [mm] | g [mm] | l [mm] | s [mm] | f [mm] | Zuc [mm] | nuc [mm] | Bearing Load Rating dyn. C [kp] | Bearing Load Rating stat. Co [kp] | Weight [kg] |
---|---|---|---|---|---|---|---|---|---|---|---|---|---|---|---|
62631200 | UCFA 201 | 12 | 101 | 60 | 78 | 15 | 12 | 25,5 | 10 | 53 | 33,3 | 12,7 | 9,9 | 6,2 | 0,47 |
62631500 | UCFA 202 | 15 | 101 | 60 | 78 | 15 | 12 | 25,5 | 10 | 53 | 33,3 | 12,7 | 9,9 | 6,2 | 0,47 |
62631700 | UCFA 203 | 17 | 101 | 60 | 78 | 15 | 12 | 25,5 | 10 | 53 | 33,3 | 12,7 | 9,9 | 6,2 | 0,47 |
62632000 | UCFA 204 | 20 | 101 | 60 | 78 | 15 | 12 | 25,5 | 10 | 53 | 33,3 | 12,7 | 9,9 | 6,2 | 0,47 |
62632500 | UCFA 205 | 25 | 125 | 68 | 98 | 16 | 14 | 27,0 | 12 | 65 | 35,8 | 14,3 | 10,7 | 7,0 | 0,68 |
62633000 | UCFA 206 | 30 | 143 | 80 | 117 | 18 | 14 | 31,0 | 12 | 72 | 40,2 | 15,9 | 15,1 | 10,0 | 1,00 |
62633500 | UCFA 207 | 35 | 161 | 90 | 130 | 19 | 16 | 34,0 | 15 | 82 | 44,4 | 17,5 | 19,9 | 13,7 | 1,50 |
62634000 | UCFA 208 | 40 | 175 | 100 | 144 | 21 | 16 | 36,0 | 15 | 87 | 51,2 | 19,0 | 22,6 | 15,7 | 1,90 |
62634500 | UCFA 209 | 45 | 181 | 108 | 148 | 22 | 18 | 38,0 | 15 | 90 | 52,2 | 19,0 | 25,2 | 17,8 | 2,03 |
62635000 | UCFA 210 | 50 | 190 | 115 | 157 | 22 | 18 | 40,0 | 15 | 94 | 54,6 | 19,0 | 27,1 | 19,7 | 2,38 |