Presné nastavovače s guľovou hlavou s poistnou maticou MN 686.7, nehrdzavejúca oceľ


Material: Stainless steel 1.4301 (AISI 304).
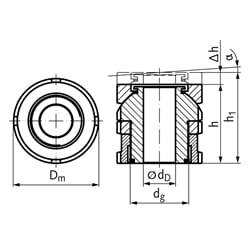
- For non-parall surfaces up to 4° slope.
- Lower overall height with short adjustment travel.
- With lock nut.
*the static net load Fadd can be calculated after subtracting the pre-load (stainless steel bolt strenght 6.8) from the total load Ftot. Other sizes on request.
SKU | Type | Approp. Bolt | h [mm] | h1 [mm] | Δh [mm] | Dm [mm] | dg | d D [mm] | α ca. | Ftotal* [k N] | Faddit.* [k N] | Weight [g] |
---|---|---|---|---|---|---|---|---|---|---|---|---|
68699705 | MN 686.7 15-6,6 | M6 | 27 | 31 | 4 | 25 | M15x1,0 | 6,6 | 4° | 27,1 | 20,3 | 76 |
68699710 | MN 686.7 20-6,6 | M6 | 32 | 37 | 5 | 32 | M20x1,0 | 6,6 | 4° | 43,4 | 36,56 | 156 |
68699715 | MN 686.7 20-9,0 | M8 | 32 | 37 | 5 | 32 | M20x1,0 | 9,0 | 4° | 43,4 | 30,9 | 149 |
68699720 | MN 686.7 20-11,0 | M10 | 32 | 37 | 5 | 32 | M20x1,0 | 11,0 | 4° | 43,4 | 23,41 | 141 |
68699725 | MN 686.7 30-11,0 | M10 | 41 | 48 | 7 | 45 | M30x1,5 | 11,0 | 4° | 84 | 64,01 | 395 |
68699730 | MN 686.7 30-13,5 | M12 | 41 | 48 | 7 | 45 | M30x1,5 | 13,5 | 4° | 84 | 54,82 | 378 |
68699735 | MN 686.7 30-17,5 | M16 | 41 | 48 | 7 | 45 | M30x1,5 | 17,5 | 4° | 84 | 28,9 | 352 |
68699740 | MN 686.7 40-17,5 | M16 | 53 | 62 | 9 | 58 | M40x1,5 | 17,5 | 4° | 148 | 92,9 | 834 |
68699745 | MN 686.7 40-22,0 | M20 | 53 | 62 | 9 | 58 | M40x1,5 | 22,0 | 4° | 148 | 59,1 | 776 |
68699750 | MN 686.7 40-26,0 | M24 | 53 | 62 | 9 | 58 | M40x1,5 | 26,0 | 4° | 148 | 20,3 | 714 |
68699755 | MN 686.7 50-22,0 | M20 | 61 | 71 | 10 | 70 | M50x1,5 | 22,0 | 4° | 225 | 136 | 1438 |
68699760 | MN 686.7 50-26,0 | M24 | 61 | 71 | 10 | 70 | M50x1,5 | 26,0 | 4° | 225 | 97 | 1372 |
68699765 | MN 686.7 50-33,0 | M30 | 61 | 71 | 10 | 70 | M50x1,5 | 33,0 | 4° | 225 | 20,6 | 1217 |
68699770 | MN 686.7 60-26,0 | M24 | 67 | 79 | 12 | 80 | M60x2,0 | 26,0 | 4° | 323 | 195 | 1989 |
68699775 | MN 686.7 60-33,0 | M30 | 67 | 79 | 12 | 80 | M60x2,0 | 33,0 | 4° | 323 | 118 | 1833 |
68699780 | MN 686.7 60-39,0 | M36 | 67 | 79 | 12 | 80 | M60x2,0 | 39,0 | 4° | 323 | 38 | 1658 |