Guličkové ložiská s ložiskovým systémom SSKP, ľahká séria, nehrdzavejúca oceľ


Material: Housing: Stainless steel 1.4301 (AISI 304). Rolling bearing: Stainless steel 1.4125 (AISI 440C), lubricated with grease FM 222 for food processing machinery, with registration FDA, CIFA, KPF2K-20, NSF H1.
The rolling bearing can be swiveled when mounting to compensate shaft misalignement. The shaft will get fastened with 2 set screws. Lubricated for life at normal operating conditions.
1) Maximum radial load if axial force = 0. The axial load rating is approx. 20% of the radial load rating.
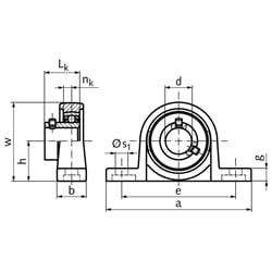
SKU | Nr. | d [mm] | a [mm] | b [mm] | e [mm] | g [mm] | h [mm] | s1 [mm] | w [mm] | Lk [mm] | nk [mm] | Lager Tragzahlen1) dyn. C [k N] | Lager Tragzahlen1) stat. Co [k N] | Gewicht [g] |
---|---|---|---|---|---|---|---|---|---|---|---|---|---|---|
62599610 | 000 | 10 | 67 | 16 | 53 | 6 | 18 | 7 | 35 | 15 | 4 | 4,0 | 1,6 | 70 |
62599612 | 001 | 12 | 71 | 16 | 56 | 6 | 19 | 7 | 38 | 15 | 4 | 4,4 | 1,95 | 100 |
62599615 | 002 | 15 | 80 | 16 | 63 | 7 | 22 | 7 | 43 | 16,5 | 4,5 | 4,85 | 2,3 | 140 |
62599617 | 003 | 17 | 85 | 18 | 67 | 7 | 24 | 7 | 47 | 17,5 | 5 | 5,2 | 2,7 | 190 |
62599620 | 004 | 20 | 100 | 20 | 80 | 9 | 28 | 10 | 55 | 21 | 6 | 8,1 | 4,1 | 230 |
62599625 | 005 | 25 | 112 | 20 | 90 | 10 | 32 | 10 | 62 | 22,5 | 6 | 8,75 | 4,75 | 290 |