Guličkové ložiská s ložiskovým systémom TUCF, termoplastické, čierne
Material: Housing: Thermoplast PBT, white. Rolling bearing: Stainless steel 1.4125 (X105CrMo17, AISI 440 C), lubricated with grease FM 222 for food processing machinery, with registration FDA, CIFA, KPF2K-20, NSF H1. Temperature range: -20°C to +90°C (for short time up to +120°C).
The rolling bearing can be swiveled when mounting to compensate shaft misalignement.
The shaft will get fastened with 2 setscrews. Lubricated for life at normal operating conditions. Re-lubricating is possible.
Delivery with stainless steel grease nipple.
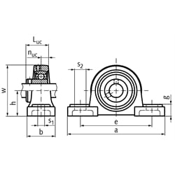
| SKU | Type | Bore [mm] | h [mm] | a [mm] | e [mm] | b [mm] | s1 [mm] | s2 [mm] | g [mm] | w [mm] | Luc [mm] | nuc [mm] | Housing load rating radial* [k N] | Housing load rating axial** [k N] | Weight [kg] |
|---|---|---|---|---|---|---|---|---|---|---|---|---|---|---|---|
| 62556112 | 201 | 12 | 33,3 | 127 | 95 | 38 | 11 | 14 | 14,2 | 65,5 | 31,0 | 12,7 | 7,7 | 5,0 | 0,30 |
| 62556115 | 202 | 15 | 33,3 | 127 | 95 | 38 | 11 | 14 | 14,2 | 65,5 | 31,0 | 12,7 | 7,7 | 5,0 | 0,30 |
| 62556117 | 203 | 17 | 33,3 | 127 | 95 | 38 | 11 | 14 | 14,2 | 65,5 | 31,0 | 12,7 | 7,7 | 5,0 | 0,30 |
| 62556120 | 204 | 20 | 33,3 | 127 | 95 | 38 | 11 | 14 | 14,2 | 65,5 | 31,0 | 12,7 | 7,7 | 5,0 | 0,28 |
| 62556125 | 205 | 25 | 36,5 | 140,5 | 105 | 38 | 11 | 14 | 14,5 | 71,0 | 34,1 | 14,3 | 10,0 | 8,1 | 0,34 |
| 62556130 | 206 | 30 | 42,9 | 163 | 119 | 46 | 14 | 18 | 17,8 | 84,0 | 38,1 | 15,9 | 10,6 | 5,8 | 0,52 |
| 62556135 | 207 | 35 | 47,6 | 170 | 127 | 48 | 14 | 18 | 18,0 | 94,5 | 42,9 | 17,5 | 10,8 | 7,5 | 0,73 |
| 62556140 | 208 | 40 | 49,2 | 184 | 137 | 54 | 14 | 18 | 19,5 | 99,0 | 49,2 | 19,0 | 11,1 | 8,5 | 1,00 |
| 62556145 | 209 | 45 | 54,0 | 192 | 146 | 54 | 17 | 20 | 23,0 | 106,0 | 49,2 | 19,0 | 11,4 | 9,0 | 1,15 |
| 62556150 | 210 | 50 | 57,2 | 206 | 159 | 60 | 17 | 20 | 23,0 | 114,0 | 51,6 | 19,0 | 11,8 | 9,6 | 1,34 |