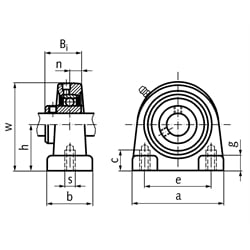
Guličkové ložiskové systém s ložiskovým systémom UCPA, sivá liatina


Material: Housing from grey cast iron. Rolling bearing from bearing steel.
With 2 mounting holes, one of them slotted. The rolling bearing can be swiveled when mounting to compensate shaft misalignement. The shaft will get fastened with 2 setscrews. Lubricated for life at normal operating conditions. Re-lubricating is possible. Delivery with grease nipple.
* Maximum radial load if axial force = 0. The axial load rating is approx. 20% of the radial load rating.
SKU | UCPA Nr. | Bohrung [mm] | h [mm] | a [mm] | e [mm] | b [mm] | s [mm] | g [mm] | w [mm] | c [mm] | Bi [mm] | n [mm] | Lager-Tragzahl* dyn. C [k N] | Lager-Tragzahl* stat. C0 [k N] | Gewicht [kg] |
---|---|---|---|---|---|---|---|---|---|---|---|---|---|---|---|
62531200 | 201 | 12 | 30,2 | 76 | 52 | 40 | M10 | 11 | 62 | 13 | 31 | 12,7 | 12,8 | 6,7 | 0,61 |
62531500 | 202 | 15 | 30,2 | 76 | 52 | 40 | M10 | 11 | 62 | 13 | 31 | 12,7 | 12,8 | 6,7 | 0,59 |
62531700 | 203 | 17 | 30,2 | 76 | 52 | 40 | M10 | 11 | 62 | 13 | 31 | 12,7 | 12,8 | 6,7 | 0,58 |
62532000 | 204 | 20 | 30,2 | 76 | 52 | 40 | M10 | 11 | 62 | 13 | 31 | 12,7 | 12,8 | 6,7 | 0,56 |
62532500 | 205 | 25 | 36,5 | 84 | 56 | 38 | M10 | 12 | 72 | 15 | 34,1 | 14,3 | 14,0 | 7,9 | 0,75 |
62533000 | 206 | 30 | 42,9 | 94 | 66 | 48 | M14 | 13 | 84 | 18 | 38,1 | 15,9 | 19,5 | 11,4 | 1,11 |
62533500 | 207 | 35 | 47,6 | 110 | 80 | 48 | M14 | 13 | 95 | 20 | 42,9 | 17,5 | 25,7 | 15,2 | 1,51 |
62534000 | 208 | 40 | 49,2 | 116 | 84 | 54 | M14 | 13 | 100 | 20 | 49,2 | 19 | 29,5 | 18,1 | 1,79 |
62534500 | 209 | 45 | 54,2 | 120 | 90 | 60 | M14 | 13 | 108 | 25 | 49,2 | 19 | 31,7 | 20,7 | 2,16 |
62535000 | 210 | 50 | 57,2 | 130 | 94 | 60 | M16 | 14 | 116 | 25 | 51,6 | 19 | 35,1 | 23,2 | 2,65 |