Guličkové transportné jednotky 363, teleso z oceľového plechu, nehrdzavejúca oceľ


Material Type 363: Stainless steel.
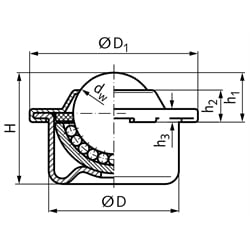
Light duty ball transfer unit for medium high load. Orientation: Ball up or horizontal. Size 22 and 30 with felt seal.
Without drain hole. Can be used with fixing clip. Conveying speed max. 1m/sec.
Temperature range -20°C to +70°C.
Note: Due to unevenness of the running surface, there are often only three rollers carrying the weight. Therefore the chosen load rating should equal at least one third of the load. Max. distance of ball transfer units = edge length of the object divided by 2.5.