Guličkové prenosové jednotky 380, s hornou prírubou, bez misky


Material: Housing: Steel, zinc-plated. Ball cup: Steel. Balls: Steel, hardened.
Light duty ball transfer unit for low load.
Orientation: Ball up or horizontal. From size 19 with felt seal and drain hole.
Size 23 with 3 mounting bores. Conveying speed max. 1m/sec.Temperature range -20°C to +70°C.
Note: Due to unevenness of the running surface, there are often only three rollers carrying the weight. T
herefore the chosen load rating should equal at least one third of the load.
Max. distance of ball transfer units = edge length of the object divided by 2.5.
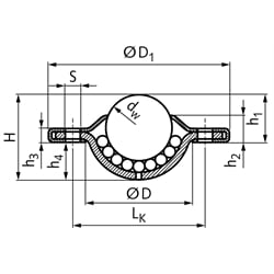
SKU | Größe Ø dw [mm] | Tragzahl [N] | D [mm] | Ø D1 [mm] | H [mm] | h1 [mm] | h2 [mm] | h3 [mm] | h4 [mm] | Ø Lk [mm] | Ø S [mm] | Gewicht [kg] |
---|---|---|---|---|---|---|---|---|---|---|---|---|
65438015 | 15 | 150 | 24 | 41 | 19,3 | 10,8 | 5,8 | 3,2 | 8,5 | 30 | 2 x 3,4 | 0,045 |
65438019 | 19 | 250 | 29,1 | 61 | 22 | 10,0 | 6,8 | 3,2 | 12,0 | 44,5 | 2 x 5,1 | 0,090 |
65438023 | 23 | 1200 | 33 | 45 | 27,7 | 9,8 | 3,6 | 3,6 | 17,9 | 39 | 3 x 3,5 | 0,096 |
65438025 | 25 | 600 | 36 | 56 | 30 | 14,6 | 6,8 | 3,3 | 15,4 | 45 | 2 x 4,0 | 0,125 |
65438032 | 32 | 1250 | 45,5 | 73,7 | 36,1 | 16,2 | 8,2 | 4,2 | 19,9 | 58,7 | 2 x 5,1 | 0,269 |