Guličkové prenosové jednotky 386, s spodnou prírubou, teleso z oceľového plechu


Material: Housing: Steel, zinc-plated. Ball cup: Steel. Balls: Steel, hardened.
Light duty ball transfer unit for low load.
Orientation: Ball up or horizontal. With felt seal and drain hole.
Conveying speed max. 1m/sec. Temperature range -20°C to +70°C.
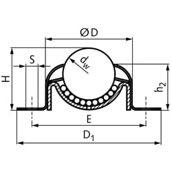
1) Slot hole.
Note: Due to unevenness of the running surface, there are often only three rollers carrying the weight.
Therefore the chosen load rating should equal at least one third of the load.
Max. distance of ball transfer units = edge length of the object divided by 2.5.
SKU | Größe Ø dw [mm] | Tragzahl [N] | Ø D [mm] | D1 [mm] | E [mm] | H [mm] | h2 [mm] | S1) [mm] | Anzahl S | Gewicht [kg] |
---|---|---|---|---|---|---|---|---|---|---|
65438626 | 25,4 | 550 | 45 | 69 x 51 | 55,9 - 60,3 | 30,4 | 24,1 | Ø5,5 x 7,7 | 2 | 0,155 |