Guličkové prenosové jednotky 388 s spodnou prírubou, masívne oceľové teleso


Material: Housing: Steel, with KTL “Anti-Oxide” electrophoretic coating. Ball cup: Steel, case hardened. Balls: Steel 100Cr6, hardened.
Heavy duty ball transfer unit for high load. High shock resistance. Very low friction. Orientation: Anyway.
From size 25.4 with felt seal. With drain hole. Conveying speed max. 2m/sec.Temperature range -30°C to +160°C.
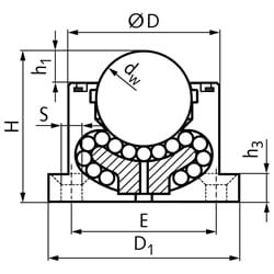
1) Elliptical flange with 2 bores.
2) Not countersunk.
Note: Due to unevenness of the running surface, there are often only three rollers carrying the weight. Therefore the chosen load rating should equal at least one third of the load. Max. distance of ball transfer units = edge length of the object divided by 2.5.
SKU | Größe Ø dw [mm] | Tragzahl [N] | Ø D [mm] | Ø D1 [mm] | E [mm] | H [mm] | h1 [mm] | h3 [mm] | Ø S [mm] | Anzahl S | Gewicht [kg] |
---|---|---|---|---|---|---|---|---|---|---|---|
65438812 | 12,7 | 500 | 23,8 | 47,7 x 32 1) | 34,9 | 22,2 | 3,8 | 2,0 | 4,0 2) | 2 | 0,08 |
65438825 | 25,4 | 2250 | 44,5 | 57,2 | 44,5 | 41,3 | 7,1 | 4,8 | 6,1 | 4 | 0,44 |
65438826 | 25,4 | 3850 | 50 | 76,2 | 57,9 | 44,5 | 6,4 | 6,4 | 8,1 | 4 | 0,68 |
65438838 | 38,1 | 11000 | 60,3 | 76,2 | 57,9 | 60,3 | 12,7 | 12,7 | 8,1 | 4 | 1,23 |