Mosadzné guľové ventily, plnoprietokové


Materials: Housing: Brass, nickel-plated.
Seat / Seals: PTFE / EPDM, HNBR.
Operating pressure: -0,4 bis 40 bar.
Operating temperature: -15°C bis +90°C.
86502238: Seal made of NBR, operating temperature -20°C to +60°C.
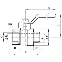
SKU | A | A1 | C [mm] | D [mm] | Ø E [mm] | Ø F [mm] | G [mm] | SW [mm] | H [mm] | H1 [mm] | Weight [g] |
---|---|---|---|---|---|---|---|---|---|---|---|
86502228 | G 1/4 | G 1/4 | 50 | 36 | 8 | 23 | 85 | 18 | 6,5 | 6,5 | 128 |
86502238 | G 3/8 | G 3/8 | 54 | 36 | 10 | 24 | 85 | 21 | 8,5 | 8,5 | 154 |
86502248 | G 1/2 | G 1/2 | 65 | 40 | 15 | 30 | 85 | 25 | 9,5 | 9,5 | 212 |
86502268 | G 3/4 | G 3/4 | 75 | 47 | 20 | 38 | 105 | 31 | 10,5 | 10,5 | 365 |
86502288 | G 1 | G 1 | 86 | 51 | 25 | 46 | 105 | 38 | 11,5 | 11,5 | 545 |