Product image
Product image
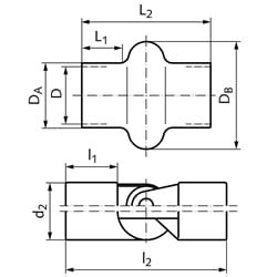
Material: mineral-oil resistant material based on nitrile rubber, with a hardness of about 45 Shore A. Single-fold bellows are used to protect ball and universal joints. The shaft lengths L1 and L2 are estimated dimensions. To securely fix the bellows on the joints, the connections should also be supplied with hose fittings.
SKU Nenngröße [mm] Inn-Ø D [mm] DA [mm] DB [mm] L1 [mm] L2 [mm] Weight [g] Wellengelenk d2 [mm] Wellengelenk l1 [mm] Wellengelenk l2 [mm] Passende Schlauchschelle verzinkt [Artikel-Nr.] Passende Schlauchschelle Edelstahl [Artikel-Nr.]
63051600 16 x 32 16 19,0 35 9 32 4 16 9 34 - -
63051800 18 x 38 18 20,5 37 14 41 6 18 11 40 63811027 63814027
63052000 20 x 56 20 22,5 39 14 57 8 20 14 50 63811027 63814027
63052200 22 x 40 22 24,5 43 12 40 6 22 13 48 63811032 63814032
63052500 25 x 66 25 27,5 44 15 66 12 25 22 74 63811032 63814032
63052600 26 x 45 26 28,5 50 12,5 45 8 26 15 56 63811032 63814032
63052800 28 x 58 28 30,5 50 17 58 10 28 20 70 63811035 63814035
63052900 29 x 50 29 31,5 52 17 53 10 29 17 60 63811035 63814035
63053200 32 x 60 32 35,0 57 20,5 60 14 32 19 68 63811040 63814040
63053300 32 x 75 32 34,5 56 27 75 14 32 23 80 63811040 63814040
63053600 36 x 82 36 38,5 63 30 84 20 36 26 90 63811050 63814050
63054000 42 x 75 42 45 70 25 75 26 40 29 100 63811050 63814050
63054500 47 x 90 47 50 75 31 90 28 45 31 110 63811060 63814060
63055000 52 x 95 52 55 87 35 95 38 50 36 125 63811060 63814060
63055500 58 x 95 58 61 97 34 95 48 55 45 120 63811070 63814070
63057000 70 x 96 70 73 121 33 96 68 70 56 140 63811080 63814080