Napínače remeňov SPANN-BOX® veľkosť 0 s nízkou napínacou silou


Material: Housing from thermoplast.
Tensioning pulley made of ultra-high-molecular weight polyethylene based on PE-UHMW, electrostatically dissipative. Screws and spring from stainless steel.
These small, ready-to install tensioners enable noise reduction and wear reduction at belts.
• With spiral, linear spring. On choice two tensioning forces.
• With colored wear-off indicator: Green: o.k. Yellow: still o.k. Red: Tensioning force too low (below 32N or 60N).
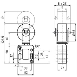
• Usable travel up to the end of the yellow range: About 32mm. Total travel about 40mm.
• Max. permissible belt speed 3m/s
Temperature range: -20°C bis +60°C.
* Tensioning way. ** Max. recommended belt width.