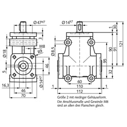
Kužeľové prevodovky DZA, typ H, veľkosť 2, do 17 Nm


General data: Gearbox with hollow shaft on the output side. Ratio either 1 : 1 or 2 : 1 or 3 : 1. Any mounting position possible. The maximum input speed (hollow shaft as input device) for gearing up is 750 rpm. Housing: Thick-walled, one-piece cast aluminium housing, fully oil-tight and dust-proof. Gearing: Spiral teeth, hardened. Shafts/bearing system: Input and output shaft are ground and mounted on ball bearings. Lubrication/maintenance: Lubricated for life, viscosity ISO VG 150. Gearboxes are maintenance free. Angular backlash: 15 to 30 angular minutes. Permiss. operating temperature: -18°C to +80°C.