Kužeľové súkolesie, polyacetálová živica, pomer 1:1 - 5:1


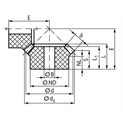
Material: Polyacetal resin, die-cast. Shaft angle 90°. Bores from Module 1,5 machined. The bevel gears only run as a pair at the stated ratio. Thermoplastic materials have a far larger thermal expansion than metals. This fact must be considered with view to the crown and flank clearance when mounting the gear. Crown clearance Sk ~ 0,25 . m, flank clearance Sc ~ 0,05 . m. Thermal expansion coefficient = 1,1 . 10-4 1/°C. The bevel gears are also available with smaller bores, or with feather key groove. Additional charge worked out on time basis. Note Regarding the Gears Made of Polyacetal Resin: Inside these die-cast parts are some cavities caused by production. These parts should therefore not be drilled too deep. With larger bores or when grooving the cavities might become visible. This often does not affect the functionality. Note for ordering: These gears are sold singulary, not by pair. For a pair of bevel gears, you have to order two matching gears of the same module and ratio. At ratio 1:1, you need two pieces of the same number of teeth. At ratio uneven 1:1, you need two pieces with a different number of teeth of the same ratio.
SKU | Transmission [i] | Module | No. of Teeth | da [mm] | d [mm] | ND [mm] | NL [mm] | L1 [mm] | L [mm] | b [mm] | B [mm] | E [mm] | Admissible MD [Ncm] | Weight [g] | Corresponding Counter Wheel [Article-No.] |
---|---|---|---|---|---|---|---|---|---|---|---|---|---|---|---|
35520700 | 1:1 (16/16) | 0,5 | 16 | 8,7 | 8 | 7 | 6 | 8 | 8 | 2 | 3 | 10,5 | 0,9 | 0,3 | 35520700 |
35550700 | 1:1 (16/16) | 1 | 16 | 17,6 | 16 | 12,0 | 8,0 | 13,6 | 13,6 | 4,7 | 5 | 18,4 | 8,3 | 2,0 | 35550700 |
35552000 | 1:1 (30/30) | 1 | 30 | 31,4 | 30 | 15,0 | 7,4 | 12,9 | 15,3 | 7,4 | 6 | 24,8 | 58,0 | 6,0 | 35552000 |
35570700 | 1:1 (16/16) | 1,5 | 16 | 26,4 | 24,0 | 18,5 | 10,0 | 16,2 | 18,4 | 7 | 8 | 25,8 | 29,0 | 6,0 | 35570700 |
35600700 | 1:1 (16/16) | 2 | 16 | 34,9 | 32 | 21,9 | 9,6 | 18,3 | 21,2 | 10 | 10 | 30,4 | 73,0 | 10,8 | 35600700 |
35610700 | 1:1 (16/16) | 2,5 | 16 | 43,5 | 40,0 | 25,2 | 11,5 | 22,9 | 25,5 | 12,3 | 12 | 37,0 | 145,0 | 20,0 | 35610700 |
35640700 | 1:1 (16/16) | 3 | 16 | 52,3 | 48 | 28,8 | 13,2 | 25,8 | 29,2 | 13,8 | 14 | 43,0 | 250,0 | 31,0 | 35640700 |
35650700 | 1:1 (16/16) | 3,5 | 16 | 61,4 | 56 | 33,3 | 14,4 | 28,1 | 33,1 | 15,8 | 18 | 49,5 | 440,0 | 47,0 | 35650700 |
35574800 | 1,5:1 (16/24) | 1,5 | 16 | 26 | 24 | 20 | 10,8 | 17,8 | 18,8 | 8 | 8 | 30 | 36 | 6,6 | 35574900 |
35574900 | 1,5:1 (16/24) | 1,5 | 24 | 37 | 16 | 24 | 11,3 | 18,0 | 19,5 | 8 | 10 | 26,6 | 54 | 11,6 | 35574800 |
35555600 | 2:1 (30/15) | 1 | 15 | 16,8 | 15 | 12,2 | 10,6 | 17,0 | 17,0 | 6,6 | 5 | 26,4 | 12,0 | 2,4 | 35555700 |
35555700 | 2:1 (30/15) | 1 | 30 | 31,1 | 30 | 18,0 | 9,1 | 14,8 | 16,2 | 6,6 | 8 | 20,9 | 24,0 | 7,0 | 35555600 |
35575600 | 2:1 (30/15) | 1,5 | 15 | 25,4 | 22,5 | 17,0 | 11,5 | 22,8 | 22,8 | 10,5 | 8 | 35,8 | 43,0 | 7,5 | 35575700 |
35575700 | 2:1 (30/15) | 1,5 | 30 | 46,4 | 45,0 | 23,4 | 9,6 | 17,5 | 19,5 | 10,5 | 10 | 26,2 | 86,0 | 18,0 | 35575600 |
35605600 | 2:1 (30/15) | 2 | 15 | 33,6 | 30 | 22,5 | 11,8 | 26,0 | 27,0 | 14,6 | 10 | 44,2 | 107,0 | 13,3 | 35605700 |
35605700 | 2:1 (30/15) | 2 | 30 | 62,2 | 60 | 30,2 | 11,8 | 22,6 | 24,2 | 14,6 | 12 | 32,6 | 214,0 | 42,0 | 35605600 |
35615600 | 2:1 (30/15) | 2,5 | 15 | 42,0 | 37,5 | 26,5 | 13,0 | 29,6 | 31,2 | 17,3 | 12 | 53,3 | 209,0 | 23,6 | 35615700 |
35615700 | 2:1 (30/15) | 2,5 | 30 | 77,3 | 75,0 | 36,1 | 15,0 | 27,5 | 29,5 | 17,3 | 16 | 40,5 | 418,0 | 77,0 | 35615600 |
35645600 | 2:1 (30/15) | 3 | 15 | 50,3 | 45 | 31,2 | 14,8 | 35,0 | 36,3 | 20,5 | 14 | 63,3 | 370,0 | 38,0 | 35645700 |
35645700 | 2:1 (30/15) | 3 | 30 | 93,0 | 90 | 45,0 | 19,0 | 34,2 | 37,0 | 20,5 | 18 | 49,5 | 740,0 | 136,0 | 35645600 |
35557600 | 3:1 (45/15) | 1 | 15 | 16,6 | 15 | 12,3 | 11 | 20,4 | 20,4 | 9,2 | 5 | 34,3 | 16,0 | 2,8 | 35557700 |
35557700 | 3:1 (45/15) | 1 | 45 | 46,1 | 45 | 23,4 | 9,6 | 16,5 | 18,2 | 9,2 | 10 | 22,7 | 48,0 | 17,5 | 35557600 |
35577600 | 3:1 (45/15) | 1,5 | 15 | 25,1 | 22,5 | 17,2 | 12,5 | 26,8 | 26,8 | 14 | 8 | 47,9 | 64,0 | 7,6 | 35577700 |
35577700 | 3:1 (45/15) | 1,5 | 45 | 68,8 | 67,5 | 30,4 | 11,5 | 21,5 | 23,0 | 14 | 12 | 29,4 | 192,0 | 50,5 | 35577600 |
35607400 | 3:1 (30/10) | 2 | 10 | 24,0 | 20 | 15,6 | 12,0 | 25,0 | 25,0 | 12,5 | 6 | 43,7 | 30,0 | 6,0 | 35607500 |
35607500 | 3:1 (30/10) | 2 | 30 | 61,7 | 60 | 30,3 | 11,5 | 20,2 | 22,5 | 12,5 | 12 | 28,0 | 90,0 | 38,0 | 35607400 |
35617400 | 3:1 (30/10) | 2,5 | 10 | 29,7 | 25,0 | 18,8 | 13,0 | 28,8 | 28,8 | 15,7 | 8 | 52,4 | 60,0 | 10,2 | 35617500 |
35617500 | 3:1 (30/10) | 2,5 | 30 | 77,2 | 75,0 | 36,1 | 15,5 | 25,2 | 29,0 | 15,7 | 18 | 35,7 | 180,0 | 67,5 | 35617400 |
35558800 | 4:1 (40/10) | 1 | 10 | 12,0 | 10 | 7,8 | 9,3 | 17,7 | 17,7 | 8,2 | 4 | 30,1 | 4,5 | 0,9 | 35558900 |
35558900 | 4:1 (40/10) | 1 | 40 | 40,8 | 40 | 23,4 | 10,8 | 15,7 | 17,0 | 8,2 | 10 | 20,1 | 18,0 | 12,6 | 35558800 |
35578800 | 4:1 (40/10) | 1,5 | 10 | 18,0 | 15,0 | 11,3 | 10,9 | 23,5 | 23,5 | 12,3 | 5 | 41,7 | 17,0 | 3,0 | 35578900 |
35578900 | 4:1 (40/10) | 1,5 | 40 | 61,2 | 60,0 | 30,4 | 12,8 | 20,0 | 21,7 | 12,3 | 12 | 26,2 | 68,0 | 32,0 | 35578800 |
35608800 | 4:1 (40/10) | 2 | 10 | 23,8 | 20 | 14,3 | 12,8 | 28,9 | 28,9 | 16,3 | 6 | 54,0 | 40,0 | 6,2 | 35608900 |
35608900 | 4:1 (40/10) | 2 | 40 | 81,5 | 80 | 36,0 | 16,6 | 24,7 | 27,0 | 16,3 | 18 | 32,5 | 160,0 | 62,0 | 35608800 |
35559800 | 5:1 (60/12) | 1 | 12 | 13,7 | 12 | 9,5 | 10,0 | 20,3 | 20,3 | 9,5 | 4 | 40,5 | 12,0 | 1,6 | 35559900 |
35559900 | 5:1 (60/12) | 1 | 60 | 60,4 | 60 | 20,5 | 11,0 | 15,5 | 17,4 | 9,5 | 10 | 21,0 | 60,0 | 20,0 | 35559800 |