Kužeľové ozubené kolesá, nehrdzavejúca oceľ, systém s priamym ozubením, prevodový pomer 1:1 - 4:1


Material: Stainless steel 1.4305 (AISI 303).
Tooth quality 8 modelled on DIN 3967 (from module 2). Crowned, milled teeth. Shaft angle 90º. The bevel gears only run as a pair at the stated ratio and at the same module.
Note for ordering: These gears are sold singulary, not by pair. For a pair of bevel gears, you have to order two matching gears of the same module and ratio. At ratio 1:1, you need two pieces of the same number of teeth. At ratio uneven 1:1, you need two pieces with a different number of teeth of the same ratio.
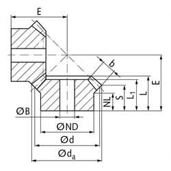
SKU | Transmission [i] | Module | No. of Teeth | da [mm] | d [mm] | ND [mm] | NL [mm] | L1 [mm] | L [mm] | S [mm] | b [mm] | BH7 [mm] | E [mm] | Admissible MD [Nm] | Weight [kg] | Corresponding Counter Wheel [Article-No.] |
---|---|---|---|---|---|---|---|---|---|---|---|---|---|---|---|---|
36099507 | 1:1 (16/16) | 1 | 16 | 17,4 | 16 | 14 | 7,0 | 10 | 11,2 | 8,7 | 4,0 | 5 | 16 | 0,06 | 0,009 | 36099507 |
36099707 | 1:1 (16/16) | 1,5 | 16 | 26,1 | 24,0 | 20 | 11,0 | 15 | 17,3 | 14,1 | 5,1 | 8 | 25 | 0,19 | 0,032 | 36099707 |
36199007 | 1:1 (16/16) | 2 | 16 | 34,8 | 32 | 25 | 11,5 | 18 | 20,7 | 16,4 | 6,8 | 10 | 31 | 0,46 | 0,066 | 36199007 |
36199107 | 1:1 (16/16) | 2,5 | 16 | 43,7 | 40,0 | 30 | 10,0 | 21 | 23,8 | 16,8 | 11 | 10 | 35 | 1,1 | 0,120 | 36199107 |
36199407 | 1:1 (16/16) | 3 | 16 | 52,4 | 48 | 40 | 12,0 | 24 | 27,7 | 18,2 | 15 | 10 | 40 | 2,0 | 0,240 | 36199407 |
36199807 | 1:1 (16/16) | 4 | 16 | 70,0 | 64 | 50 | 11,0 | 29 | 32,9 | 21,0 | 19 | 20 | 50 | 4,8 | 0,420 | 36199807 |
36099556 | 2:1 (15/30) | 1 | 15 | 17,4 | 15 | 13 | 6,5 | 11 | 11,9 | 7,6 | 5,0 | 5 | 22 | 0,08 | 0,010 | 36099557 |
36099557 | 2:1 (15/30) | 1 | 30 | 30,6 | 30 | 20 | 9,0 | 13 | 15,1 | 13,1 | 5,0 | 5 | 20 | 0,16 | 0,040 | 36099556 |
36099756 | 2:1 (15/30) | 1,5 | 15 | 26,1 | 22,5 | 18 | 6,5 | 13 | 14,8 | 8,4 | 7,6 | 8 | 30 | 0,27 | 0,026 | 36099757 |
36099757 | 2:1 (15/30) | 1,5 | 30 | 45,9 | 45,0 | 30 | 12,0 | 18 | 20,7 | 17,6 | 7,6 | 10 | 28 | 0,54 | 0,124 | 36099756 |
36199056 | 2:1 (15/30) | 2 | 15 | 33,7 | 30 | 20 | 7,5 | 22 | 23,0 | 10,9 | 14,0 | 10 | 40 | 0,78 | 0,058 | 36199057 |
36199057 | 2:1 (15/30) | 2 | 30 | 61,8 | 60 | 40 | 12,0 | 24 | 27,2 | 21,9 | 14,0 | 15 | 35 | 1,56 | 0,312 | 36199056 |
36199156 | 2:1 (15/30) | 2,5 | 15 | 42,2 | 37,5 | 30 | 15,4 | 31 | 33,3 | 18,6 | 17 | 10 | 55 | 1,6 | 0,160 | 36199157 |
36199157 | 2:1 (15/30) | 2,5 | 30 | 77,3 | 75,0 | 50 | 10,0 | 24 | 28,1 | 21,6 | 17 | 15 | 38 | 3,2 | 0,530 | 36199156 |
36199456 | 2:1 (15/30) | 3 | 15 | 50,6 | 45 | 30 | 11,5 | 33 | 35,4 | 16,4 | 22 | 10 | 60 | 2,8 | 0,270 | 36199457 |
36199457 | 2:1 (15/30) | 3 | 30 | 92,8 | 90 | 50 | 10,0 | 26 | 30,7 | 22,3 | 22 | 20 | 42 | 5,6 | 0,750 | 36199456 |
36199856 | 2:1 (15/30) | 4 | 15 | 67,5 | 60 | 40 | 10,0 | 38 | 41,0 | 16,9 | 28 | 20 | 75 | 6,0 | 0,410 | 36199857 |
36199857 | 2:1 (15/30) | 4 | 30 | 123,8 | 120 | 60 | 15,0 | 33 | 39,4 | 28,8 | 28 | 25 | 55 | 12,0 | 1,600 | 36199856 |
36099576 | 3:1 (15/45) | 1 | 15 | 17,7 | 15 | 13 | 9,2 | 16 | 16,5 | 10,0 | 7,1 | 5 | 32 | 0,10 | 0,014 | 36099577 |
36099577 | 3:1 (15/45) | 1 | 45 | 45,4 | 45 | 25 | 10,0 | 15 | 17,0 | 15,1 | 7,1 | 8 | 22 | 0,30 | 0,092 | 36099576 |
36099780 | 3:1 (16/48) | 1,5 | 16 | 28,0 | 24,0 | 18 | 11,0 | 21 | 23,2 | 12,7 | 11,4 | 8 | 48 | 0,45 | 0,042 | 36099781 |
36099781 | 3:1 (16/48) | 1,5 | 48 | 72,6 | 72,0 | 50 | 12,0 | 20 | 24,1 | 20,8 | 11,4 | 15 | 32 | 1,35 | 0,405 | 36099780 |
36199080 | 3:1 (16/48) | 2 | 16 | 35,9 | 32 | 20 | 10,0 | 25 | 26,6 | 12,6 | 15,0 | 10 | 60 | 1,21 | 0,080 | 36199081 |
36199081 | 3:1 (16/48) | 2 | 48 | 97,3 | 96 | 60 | 18,0 | 30 | 35,0 | 31,0 | 15,0 | 25 | 45 | 3,63 | 95 | 36199080 |
36199180 | 3:1 (16/48) | 2,5 | 16 | 44,9 | 40,0 | 30 | 15,0 | 34 | 36,5 | 17,8 | 20 | 10 | 77 | 2,6 | 0,200 | 36199181 |
36199181 | 3:1 (16/48) | 2,5 | 48 | 121,6 | 120,0 | 80 | 15,0 | 29 | 33,9 | 28,5 | 20 | 25 | 46 | 7,8 | 1,600 | 36199180 |
36199480 | 3:1 (16/48) | 3 | 16 | 53,9 | 48 | 40 | 12,5 | 36,0 | 38,3 | 15,0 | 25 | 15 | 86 | 4,6 | 0,310 | 36199481 |
36199481 | 3:1 (16/48) | 3 | 48 | 145,9 | 144 | 70 | 18,0 | 34,0 | 38,7 | 32,0 | 25 | 30 | 53 | 13,8 | 2,300 | 36199480 |
36199880 | 3:1 (16/48) | 4 | 16 | 71,8 | 64 | 50 | 17,0 | 46 | 48,3 | 20,3 | 30 | 20 | 115 | 9,4 | 0,680 | 36199881 |
36199881 | 3:1 (16/48) | 4 | 48 | 194,6 | 192 | 90 | 20,0 | 43 | 50,0 | 41,9 | 30 | 30 | 70 | 28,2 | 5,700 | 36199880 |
36099592 | 4:1 (15/60) | 1 | 15 | 17,8 | 15 | 13 | 7,7 | 16 | 17,3 | 8,4 | 9,3 | 5 | 38 | 0,14 | 0,015 | 36099593 |
36099593 | 4:1 (15/60) | 1 | 60 | 60,3 | 60 | 30 | 10,0 | 15 | 17,1 | 15,1 | 9,3 | 8 | 22 | 0,56 | 0,160 | 36099592 |
36099792 | 4:1 (15/60) | 1,5 | 15 | 26,7 | 22,5 | 18 | 14,4 | 28 | 28,9 | 15,5 | 13,9 | 8 | 60 | 0,48 | 0,042 | 36099793 |
36099793 | 4:1 (15/60) | 1,5 | 60 | 90,4 | 90,0 | 50 | 12,0 | 25 | 27,6 | 24,6 | 13,9 | 15 | 35 | 1,92 | 0,745 | 36099792 |
36199092 | 4:1 (15/60) | 2 | 15 | 34,0 | 30 | 20 | 13,5 | 29 | 29,9 | 15,5 | 15,0 | 10 | 75 | 1,34 | 0,080 | 36199093 |
36199093 | 4:1 (15/60) | 2 | 60 | 120,9 | 120 | 60 | 20,0 | 35 | 40,1 | 37,0 | 15,0 | 25 | 50 | 5,36 | 1,600 | 36199092 |
36199192 | 4:1 (15/60) | 2,5 | 15 | 42,5 | 37,5 | 30 | 16,0 | 35 | 36,8 | 17,6 | 20 | 10 | 92 | 2,5 | 0,190 | 36199193 |
36199193 | 4:1 (15/60) | 2,5 | 60 | 151,2 | 150,0 | 80 | 18,0 | 33 | 37,8 | 33,8 | 20 | 25 | 50 | 10,0 | 2,600 | 36199192 |
36199492 | 4:1 (15/60) | 3 | 15 | 51,0 | 45 | 30 | 13,0 | 38,0 | 39,7 | 15,7 | 25 | 10 | 105 | 4,4 | 0,270 | 36199493 |
36199493 | 4:1 (15/60) | 3 | 60 | 181,5 | 180 | 80 | 18,0 | 35,0 | 40,6 | 35,5 | 25 | 30 | 55 | 17,6 | 3,800 | 36199492 |
36199892 | 4:1 (15/60) | 4 | 15 | 68,0 | 60 | 40 | 12,5 | 43 | 44,8 | 16,0 | 30 | 20 | 135 | 8,9 | 0,520 | 36199893 |
36199893 | 4:1 (15/60) | 4 | 60 | 242,0 | 240 | 90 | 20,0 | 41 | 50,1 | 44,0 | 30 | 30 | 70 | 35,6 | 8,300 | 36199892 |