Kužeľové súkolesie, oceľ, špirálový systém zubov, pomer 2:1 - 2,5:1


Material up to module 1.5: 42CrMo4, teeth induction hardened.
Material from module 2.0: 16MnCr5, teeth case hardened.
Hubs and bores soft.
** Gears with ground hub contact surfaces and bores.
*** Not hardened.
Tooth quality 8 modelled on DIN 3967. Sold in pairs only.
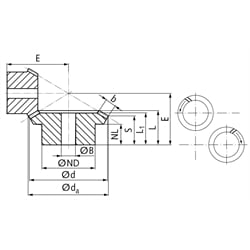
SKU | Transmission [i] | Module | No. of Teeth | da [mm] | d [mm] | ND [mm] | NL [mm] | L1 [mm] | L [mm] | S [mm] | b [mm] | BH7 [mm] | E [mm] | Admissible MD [Nm] | Weight/Pair [g] |
---|---|---|---|---|---|---|---|---|---|---|---|---|---|---|---|
38536200 | 2 : 1 | 0,6 | 22 / 44 | 20,8/40,1 | 19,8/39,6 | 16/25 | 7,4/8 | 15/15 | 15,6/17,2 | 8,5/13,6 | 8/8 | 6/10 | 28/23 | 2,3/4,6 | 116 |
38556000 | 2 : 1 | 1 | 20 / 40 | 31,8/60,9 | 30/60 | 25/40 | 8/8 | 19/18 | 20,2/21,2 | 9,4/15,9 | 12/12 | 8/12 | 39/30 | 9,8/19,6 | 323 |
38565800 | 2 : 1 | 1,3 | 16 / 32 | 34,4/65,1 | 32/64 | 25/40 | 7/8 | 20/20 | 22,1/23,3 | 9,6/17,1 | 14/14 | 8/12 | 41/32 | 12,0/24,0 | 397 |
38575600 | 2 : 1 | 1,5 | 16 / 32 | 38,0/71,7 | 35,2/70,4 | 30/45 | 8,4/8 | 19/17 | 21,2/21 | 10,5/15,7 | 12/12 | 10/12 | 45/32 | 14,4/28,8 | 435 |
38105500 | 2 : 1*** | 2,269 | 12 / 24 | 44,0/83,0 | 41,5/83 | 30/50 | 12/15 | 28,23/27 | 28,23/32,41 | 17,6/26,0 | 15/15 | 12/16 | 55/45 | 10,1/20,2 | 846 |
38605500 | 2 : 1** | 2,321 | 13 / 26 | 47,0/91,0 | 45/90 | 30/40 | 15/22 | 30/30 | 33,0/35,5 | 21,7/29,8 | 15/15 | 10/16 | 63,65/50 | 49/98 | 818 |
38115500 | 2 : 1*** | 2,5 | 11 / 22 | 57,0/106,0 | 52,5/105 | 40/70 | 15/20 | 36,72/39 | 36,72/44,65 | 19,7/35,8 | 20/20 | 16/20 | 70/60 | 17,8/35,6 | 2000 |
38615500 | 2 : 1** | 2,5 | 13 / 26 | 59,0/113,0 | 56/112 | 39/54 | 15/21 | 34/30 | 38,4/37,7 | 22,9/29,0 | 20/20 | 16/25 | 75,13/55 | 95/190 | 1400 |
38645500 | 2 : 1** | 3 | 13 / 26 | 68/128 | 64/128 | 45/54 | 16/20 | 37/32 | 41,95/39,9 | 24,87/30,58 | 22/22 | 20/25 | 84,62/60 | 133/266 | 2000 |
38145700 | 2 : 1*** | 3 | 14 / 28 | 76,0/146,0 | 72,5/145 | 55/90 | 25/25 | 51,46/50 | 51,46/57,1 | 32,0/46,2 | 25/25 | 20/30 | 100/80 | 64/128 | 4800 |
38655500 | 2 : 1** | 3,5 | 13 / 26 | 77/146 | 72/144 | 54/64 | 12/25 | 34/38 | 39,8/47,1 | 21,1/36,5 | 24/24 | 20/30 | 88,38/70 | 197/394 | 2800 |
38555600 | 2,066 : 1 | 1 | 15 / 31 | 24,1/45,6 | 21,8/45 | 19/24 | 6/8 | 13,2/14,0 | 13,2/16,5 | 6,9/13,5 | 7/7 | 8/10 | 29/23,5 | 3,6/7,4 | 112 |
38537400 | 2,5 : 1 | 0,6 | 22 / 55 | 20,9/49,9 | 19,8/49,5 | 16/30 | 6,8/8 | 16/16 | 16,7/19,3 | 7,5/15,6 | 10/10 | 6/10 | 32/25 | 2,6/6,5 | 172 |
38557200 | 2,5 : 1 | 1 | 20 / 50 | 31,8/75,7 | 30/75 | 25/50 | 8,4/8 | 21/18 | 22,8/21,1 | 9,8/15,9 | 14/14 | 8/12 | 47/30 | 9,9/24,8 | 172 |
38566600 | 2,5 : 1 | 1,3 | 14 / 35 | 30,5/70,9 | 28/70 | 22/45 | 8,7/8 | 20/18 | 21,6/21,6 | 10,5/17,1 | 12/12 | 8/12 | 45/30 | 11,3/28,2 | 355 |
38576400 | 2,5 : 1 | 1,5 | 16 / 40 | 38,0/89,1 | 35,2/88 | 30/60 | 7,5/8 | 20/16 | 21,6/20,6 | 9,6/15,8 | 13/13 | 10/15 | 53/32 | 14,5/36,3 | 420 |
38646200 | 2,5 : 1** | 3 | 10 / 25 | 54,5/121,8 | 48/120 | 39/64 | 11/28 | 28/38 | 30,8/44,8 | 16,3/38,4 | 18/18 | 16/25 | 72,71/60 | 79/198 | 1200 |
38656300 | 2,555 : 1** | 3,6 | 9 / 23 | 62/141 | 54,78/140 | 40/70 | 17/35 | 34/45 | 38,35/52,53 | 20,9/45,0 | 21/21 | 16/30 | 87,06/70 | 150/383 | 2400 |