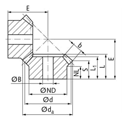
Kužeľové súkolesie, oceľ, systém s rovnými zubami, pomer 1:1


Material: up to module 2: 11SMn30+SH (1.0715). From module 2.5: C45.
Tooth quality 8 modelled on DIN 3967 (from module 2).
Up to module 5 with crowned, milled teeth.
From module 6 with planed teeth. Not hardened – not lapped.
Shaft angle = 90º.
The bevel gears only run as a pair at the stated ratio and at the same module.
Note for ordering: These gears are sold singulary, not by pair. For a pair of bevel gears, you have to order two matching gears, with the same module and the same number of teeth.
SKU | Transmission [i] | Module | No. of Teeth | da [mm] | d [mm] | ND [mm] | NL [mm] | L1 [mm] | L [mm] | S [mm] | b [mm] | BH7 [mm] | E [mm] | Admissible MD [Nm] | Weight [g] | Corresponding Counter Wheel [Article-No.] |
---|---|---|---|---|---|---|---|---|---|---|---|---|---|---|---|---|
36021100 | 1:1 (20/20) | 0,5 | 20 | 10,7 | 10 | 8 | 4 | - | 7,0 | 5,0 | 3 | 4 | 9,7 | 0,011 | 1 | 36021100 |
36021500 | 1:1 (24/24) | 0,5 | 24 | 12,7 | 12 | 8 | 4 | 6,4 | 7,0 | 5,0 | 3 | 4 | 10,7 | 0,018 | 3 | 36021500 |
36022000 | 1:1 (30/30) | 0,5 | 30 | 15,7 | 15 | 10 | 4 | 7,5 | 8,5 | 6,6 | 3 | 4 | 13,7 | 0,032 | 4 | 36022000 |
36022300 | 1:1 (36/36) | 0,5 | 36 | 18,7 | 18 | 12 | 5 | 9,0 | 10,1 | 8,0 | 3 | 4 | 16,7 | 0,050 | 10 | 36022300 |
36022600 | 1:1 (40/40) | 0,5 | 40 | 20,7 | 20 | 12 | 5 | 8,5 | 9,5 | 7,5 | 3 | 4 | 17,1 | 0,064 | 10 | 36022600 |
36023200 | 1:1 (50/50) | 0,5 | 50 | 25,7 | 25 | 14 | 5 | 8,5 | 9,5 | 7,5 | 3 | 4 | 19,6 | 0,108 | 16 | 36023200 |
36050300 | 1:1 (12/12) | 1 | 12 | 13,0 | 12 | 10 | 6,2 | 7,95 | 9,6 | 7,7 | 3 | 5 | 13,2 | 0,035 | 3 | 36050300 |
36050700 | 1:1 (16/16) | 1 | 16 | 17,4 | 16 | 14 | 7 | 10 | 11,2 | 8,7 | 4 | 5 | 16 | 0,052 | 9 | 36050700 |
36051000 | 1:1 (19/19) | 1 | 19 | 20,4 | 19 | 15 | 6,5 | 10 | 11,8 | 9,2 | 4 | 5 | 18 | 0,085 | 14 | 36051000 |
36051100 | 1:1 (20/20) | 1 | 20 | 21,4 | 20 | 16 | 6,1 | 10 | 11,4 | 8,8 | 4 | 5 | 18,1 | 0,138 | 15 | 36051100 |
36051300 | 1:1 (22/22) | 1 | 22 | 23,4 | 22 | 18 | 7 | 11 | 12,8 | 9,7 | 4,7 | 5 | 20 | 0,158 | 22 | 36051300 |
36051800 | 1:1 (26/26) | 1 | 26 | 27,4 | 26 | 22 | 7 | 12 | 13,4 | 9,7 | 5,5 | 5 | 22 | 0,193 | 35 | 36051800 |
36052000 | 1:1 (30/30) | 1 | 30 | 31,4 | 30 | 22 | 7 | 14 | 16,0 | 11,7 | 6,4 | 5 | 26 | 0,29 | 50 | 36052000 |
36052600 | 1:1 (40/40) | 1 | 40 | 41,4 | 40 | 30 | 10 | 18 | 19,8 | 15,7 | 6 | 8 | 35 | 0,55 | 111 | 36052600 |
36070700 | 1:1 (16/16) | 1,5 | 16 | 26,1 | 24 | 20 | 11 | 15 | 17,3 | 14,1 | 5,1 | 8 | 25 | 0,18 | 32 | 36070700 |
36071100 | 1:1 (20/20) | 1,5 | 20 | 32,1 | 30 | 22 | 9 | 15 | 17,2 | 13,1 | 6,4 | 8 | 27 | 0,34 | 47 | 36071100 |
36071300 | 1:1 (22/22) | 1,5 | 22 | 35,1 | 33 | 20 | 8 | 15 | 17,1 | 12,6 | 7 | 8 | 28 | 0,44 | 50 | 36071300 |
36071600 | 1:1 (25/25) | 1,5 | 25 | 39,6 | 37,5 | 25 | 8 | 15 | 17,6 | 12,3 | 7,95 | 10 | 30 | 0,62 | 70 | 36071600 |
36072000 | 1:1 (30/30) | 1,5 | 30 | 47,1 | 45 | 30 | 12 | 20 | 21,9 | 15,6 | 9,6 | 10 | 37 | 1,01 | 135 | 36072000 |
36072600 | 1:1 (40/40) | 1,5 | 40 | 62,1 | 60 | 40 | 12 | 25 | 27,7 | 19,1 | 12,7 | 15 | 48 | 2,46 | 310 | 36072600 |
36100700 | 1:1 (16/16) | 2 | 16 | 34,8 | 32 | 25 | 11,5 | 18 | 20,7 | 16,4 | 6,8 | 10 | 31 | 0,45 | 66 | 36100700 |
36101100 | 1:1 (20/20) | 2 | 20 | 42,8 | 40 | 30 | 10 | 17 | 19,9 | 14,4 | 8,5 | 10 | 33 | 0,84 | 104 | 36101100 |
36101300 | 1:1 (22/22) | 2 | 22 | 46,8 | 44 | 30 | 10 | 19 | 21,0 | 15,4 | 9,3 | 10 | 36 | 1,08 | 130 | 36101300 |
36101600 | 1:1 (25/25) | 2 | 25 | 52,8 | 50 | 35 | 8 | 19 | 21,4 | 14,4 | 10,6 | 10 | 38 | 1,50 | 182 | 36101600 |
36102000 | 1:1 (30/30) | 2 | 30 | 62,8 | 60 | 40 | 12 | 25 | 26,9 | 18,4 | 12,7 | 15 | 47 | 2,45 | 306 | 36102000 |
36102600 | 1:1 (40/40) | 2 | 40 | 82,8 | 80 | 50 | 15 | 31 | 33,7 | 23,4 | 15,2 | 20 | 62 | 16,3 | 660 | 36102600 |
36110700 | 1:1 (16/16) | 2,5 | 16 | 43,7 | 40 | 30 | 10 | 21 | 23,8 | 16,8 | 11 | 10 | 35 | 2,6 | 120 | 36110700 |
36110900 | 1:1 (18/18) | 2,5 | 18 | 48,7 | 45 | 30 | 10 | 22 | 25,0 | 17,4 | 12 | 10 | 38 | 3,6 | 150 | 36110900 |
36111100 | 1:1 (20/20) | 2,5 | 20 | 53,7 | 50 | 35 | 10 | 22 | 25,9 | 16,9 | 14 | 10 | 40 | 4,9 | 210 | 36111100 |
36111300 | 1:1 (22/22) | 2,5 | 22 | 58,7 | 55 | 30 | 10 | 24 | 27,1 | 17,3 | 15 | 10 | 43 | 6,3 | 240 | 36111300 |
36111600 | 1:1 (25/25) | 2,5 | 25 | 66,2 | 62,5 | 45 | 10 | 25 | 28,8 | 17,6 | 17 | 15 | 47 | 9,3 | 370 | 36111600 |
36112000 | 1:1 (30/30) | 2,5 | 30 | 78,7 | 75 | 50 | 12 | 29 | 32,7 | 19,3 | 20 | 15 | 55 | 16,3 | 560 | 36112000 |
36112600 | 1:1 (40/40) | 2,5 | 40 | 103,6 | 100 | 60 | 14 | 31 | 35,4 | 21,8 | 20 | 25 | 70 | 33,6 | 1100 | 36112600 |
36140700 | 1:1 (16/16) | 3 | 16 | 52,4 | 48 | 40 | 12 | 24 | 27,7 | 18,2 | 15 | 10 | 40 | 4,6 | 240 | 36140700 |
36140900 | 1:1 (18/18) | 3 | 18 | 58,4 | 54 | 40 | 10 | 25 | 28,1 | 17,2 | 17 | 10 | 42 | 6,4 | 280 | 36140900 |
36141100 | 1:1 (20/20) | 3 | 20 | 64,4 | 60 | 40 | 10 | 26 | 29,5 | 17,2 | 19 | 15 | 45 | 8,7 | 320 | 36141100 |
36141300 | 1:1 (22/22) | 3 | 22 | 70,4 | 66 | 40 | 8 | 27 | 30,2 | 17,2 | 20 | 15 | 48 | 11,6 | 410 | 36141300 |
36141600 | 1:1 (25/25) | 3 | 25 | 79,4 | 75 | 50 | 10 | 28 | 31,9 | 16,7 | 23 | 15 | 52 | 17,3 | 490 | 36141600 |
36142000 | 1:1 (30/30) | 3 | 30 | 94,4 | 90 | 50 | 12 | 35 | 38,8 | 22,2 | 25 | 20 | 65 | 29,2 | 950 | 36142000 |
36142600 | 1:1 (40/40) | 3 | 40 | 124,4 | 120 | 60 | 15 | 35 | 39,1 | 22,2 | 25 | 25 | 80 | 60,7 | 1600 | 36142600 |
36180700 | 1:1 (16/16) | 4 | 16 | 70,0 | 64 | 50 | 11 | 29 | 32,9 | 21,0 | 19 | 20 | 50 | 11,1 | 420 | 36180700 |
36180900 | 1:1 (18/18) | 4 | 18 | 78,0 | 72 | 50 | 16 | 36 | 41,0 | 27,0 | 22 | 20 | 60 | 15,6 | 640 | 36180900 |
36181100 | 1:1 (20/20) | 4 | 20 | 85,9 | 80 | 50 | 16 | 39 | 43,5 | 28,0 | 24 | 20 | 65 | 20,8 | 810 | 36181100 |
36181300 | 1:1 (22/22) | 4 | 22 | 93,9 | 88 | 50 | 12 | 37 | 40,9 | 24,0 | 26 | 20 | 65 | 27,9 | 940 | 36181300 |
36181600 | 1:1 (25/25) | 4 | 25 | 105,9 | 100 | 60 | 12 | 38 | 42,7 | 23,0 | 30 | 20 | 70 | 41,9 | 1400 | 36181600 |
36182000 | 1:1 (30/30) | 4 | 30 | 125,9 | 120 | 60 | 18 | 42 | 47,9 | 27,9 | 30 | 25 | 85 | 67,5 | 2000 | 36182000 |
36182600 | 1:1 (40/40) | 4 | 40 | 165,8 | 160 | 80 | 20 | 48 | 53,2 | 32,9 | 30 | 30 | 110 | 138,0 | 4200 | 36182600 |
36210700 | 1:1 (16/16) | 5 | 16 | 87,4 | 80 | 60 | 12 | 36 | 41,5 | 25,7 | 25 | 20 | 62 | 22,2 | 860 | 36210700 |
36210900 | 1:1 (18/18) | 5 | 18 | 97,4 | 90 | 60 | 12 | 37 | 42,2 | 23,7 | 29 | 20 | 65 | 30,7 | 1050 | 36210900 |
36211100 | 1:1 (20/20) | 5 | 20 | 107,4 | 100 | 60 | 12 | 39 | 44,4 | 23,7 | 32 | 25 | 70 | 42,7 | 1300 | 36211100 |
36211300 | 1:1 (22/22) | 5 | 22 | 117,5 | 110 | 70 | 12 | 43 | 48,5 | 25,7 | 35 | 25 | 77 | 57,5 | 1840 | 36211300 |
36211600 | 1:1 (25/25) | 5 | 25 | 132,4 | 125 | 70 | 12 | 42 | 47,5 | 21,2 | 40 | 30 | 80 | 85,8 | 2140 | 36211600 |
36212000 | 1:1 (30/30) | 5 | 30 | 157,4 | 150 | 70 | 12 | 44 | 51,3 | 24,7 | 40 | 30 | 96 | 139,5 | 3520 | 36212000 |
36212600 | 1:1 (40/40) | 5 | 40 | 207,3 | 200 | 90 | 20 | 52 | 61 | 32,9 | 40 | 35 | 128,1 | 288 | 7060 | 36212600 |
36730900 | 1:1 (18/18) | 6 | 18 | 116,5 | 108 | 60 | 15 | 44 | 54 | 31,3 | 35 | 25 | 81 | 54,8 | 1770 | 36730900 |
36731100 | 1:1 (20/20) | 6 | 20 | 128,5 | 120 | 70 | 15 | 44 | 54 | 27,8 | 40 | 30 | 83,4 | 76,3 | 2190 | 36731100 |
36731600 | 1:1 (25/25) | 6 | 25 | 158,5 | 150 | 75 | 15 | 51 | 60 | 26,7 | 50 | 30 | 97,3 | 153,4 | 3790 | 36731600 |
36732000 | 1:1 (30/30) | 6 | 30 | 188,5 | 180 | 90 | 15 | 51 | 60 | 26,4 | 50 | 35 | 112,1 | 250,6 | 5810 | 36732000 |
36732600 | 1:1 (40/40) | 6 | 40 | 248,5 | 240 | 100 | 20 | 58 | 67 | 32,9 | 50 | 40 | 148,6 | 555 | 11600 | 36732600 |
36771100 | 1:1 (20/20) | 8 | 20 | 171,3 | 160 | 90 | 15 | 52 | 62 | 29,2 | 50 | 40 | 103,3 | 181,6 | 4560 | 36771100 |