Kužeľové súkolesie, oceľ, systém s rovnými zubami, pomer 1,5:1


Material: up to module 2: 11SMn30+SH (1.0715). From module 2.5: C45.
Tooth quality 8 modelled on DIN 3967 (from module 2).
With crowned, milled teeth. Not hardened – not lapped.
Shaft angle = 90º.
The bevel gears only run as a pair at the stated ratio and at the same module.
Note for ordering: These gears are sold singulary, not by pair. For a pair of bevel gears, you have to order two matching gears of the same module, with a different number of teeth of the same ratio.
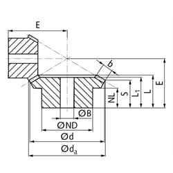
SKU | Transmission [i] | Module | No. of Teeth | da [mm] | d [mm] | ND [mm] | NL [mm] | L1 [mm] | L [mm] | S [mm] | b [mm] | BH7 [mm] | E [mm] | Admissible MD [Nm] | Weight [g] | Corresponding Counter Wheel [Article-No.] |
---|---|---|---|---|---|---|---|---|---|---|---|---|---|---|---|---|
36025200 | 1,5:1 (20/30) | 0,5 | 20 | 11,0 | 10 | 8 | 3,5 | 6,5 | 7,1 | 4,7 | 3 | 4 | 11,9 | 0,014 | 2 | 36025300 |
36025300 | 1,5:1 (20/30) | 0,5 | 30 | 15,4 | 15 | 10 | 4,0 | 6,0 | 7,0 | 5,4 | 3 | 4 | 10,1 | 0,021 | 4 | 36025200 |
36054800 | 1,5:1 (16/24) | 1 | 16 | 18,1 | 16 | 13 | 6,9 | 11 | 12,0 | 8,7 | 4,3 | 5 | 20 | 0,066 | 10 | 36054900 |
36054900 | 1,5:1 (16/24) | 1 | 24 | 24,8 | 24 | 20 | 8,8 | 13 | 14,8 | 12,6 | 4,3 | 5 | 20 | 0,099 | 32 | 36054800 |
36074800 | 1,5:1 (16/24) | 1,5 | 16 | 27,1 | 24 | 20 | 8,7 | 14 | 16,1 | 11,0 | 6,5 | 8 | 28 | 0,023 | 34 | 36074900 |
36074900 | 1,5:1 (16/24) | 1,5 | 24 | 37,2 | 36 | 20 | 12 | 17 | 20,2 | 16,9 | 6,5 | 10 | 28 | 0,035 | 55 | 36074800 |
36075200 | 1,5:1 (20/30) | 1,5 | 20 | 33,1 | 30 | 20 | 9 | 17 | 18,9 | 12,5 | 8,1 | 8 | 34 | 0,43 | 52 | 36075300 |
36075300 | 1,5:1 (20/30) | 1,5 | 30 | 46,2 | 45 | 30 | 12 | 20 | 22,1 | 17,9 | 8,1 | 10 | 32 | 0,65 | 133 | 36075200 |
36104800 | 1,5:1 (16/24) | 2 | 16 | 35,5 | 32 | 20 | 8 | 21 | 22,6 | 13,1 | 12 | 10 | 36 | 0,57 | 60 | 36104900 |
36104900 | 1,5:1 (16/24) | 2 | 24 | 50,3 | 48 | 30 | 8 | 18 | 21,5 | 15,7 | 12 | 10 | 30 | 0,86 | 151 | 36104800 |
36105200 | 1,5:1 (20/30) | 2 | 20 | 43,5 | 40 | 30 | 7,5 | 20 | 22,3 | 11,2 | 14 | 10 | 40 | 1,15 | 119 | 36105300 |
36105300 | 1,5:1 (20/30) | 2 | 30 | 62,3 | 60 | 40 | 15 | 25 | 28,7 | 21,7 | 14 | 15 | 40 | 1,73 | 301 | 36105200 |
36114800 | 1,5:1 (16/24) | 2,5 | 16 | 44,3 | 40 | 30 | 11,6 | 26 | 28,2 | 16,4 | 14 | 10 | 45 | 3,3 | 150 | 36114900 |
36114900 | 1,5:1 (16/24) | 2,5 | 24 | 62,9 | 60 | 30 | 12 | 26 | 29,4 | 22,1 | 14 | 10 | 40 | 5,0 | 300 | 36114800 |
36115200 | 1,5:1 (20/30) | 2,5 | 20 | 54,3 | 50 | 30 | 10 | 27 | 30,2 | 16,0 | 18 | 10 | 52 | 6,8 | 230 | 36115300 |
36115300 | 1,5:1 (20/30) | 2,5 | 30 | 77,9 | 75 | 50 | 14 | 27 | 31,1 | 22,2 | 18 | 15 | 45 | 10,2 | 550 | 36115200 |
36144800 | 1,5:1 (16/24) | 3 | 16 | 53,2 | 48 | 40 | 13,2 | 30 | 32,7 | 17,7 | 19 | 15 | 52 | 5,9 | 250 | 36144900 |
36144900 | 1,5:1 (16/24) | 3 | 24 | 75,5 | 72 | 50 | 8 | 24 | 27,8 | 18,6 | 19 | 15 | 40 | 8,9 | 490 | 36144800 |
36145200 | 1,5:1 (20/30) | 3 | 20 | 65,2 | 60 | 40 | 10 | 33 | 35,8 | 16,8 | 24 | 15 | 60 | 12,4 | 390 | 36145300 |
36145300 | 1,5:1 (20/30) | 3 | 30 | 93,5 | 90 | 50 | 15 | 33 | 37,6 | 25,7 | 24 | 20 | 53 | 18,6 | 860 | 36145200 |
36184800 | 1,5:1 (16/24) | 4 | 16 | 71,0 | 64 | 50 | 12,5 | 36 | 38,9 | 19,3 | 25 | 20 | 65 | 14,3 | 500 | 36184900 |
36184900 | 1,5:1 (16/24) | 4 | 24 | 100,7 | 96 | 60 | 12 | 31 | 35,6 | 23,5 | 25 | 20 | 52 | 21,5 | 1010 | 36184800 |
36185200 | 1,5:1 (20/30) | 4 | 20 | 87,0 | 80 | 50 | 18 | 48 | 51,1 | 27,3 | 30 | 20 | 85 | 29,5 | 950 | 36185300 |
36185300 | 1,5:1 (20/30) | 4 | 30 | 124,6 | 120 | 60 | 18 | 40 | 46,4 | 31,5 | 30 | 25 | 68 | 44,3 | 1900 | 36185200 |
36215200 | 1,5:1 (20/30) | 5 | 20 | 108,7 | 100 | 60 | 12 | 50 | 54,7 | 22,9 | 40 | 25 | 95 | 60,6 | 1630 | 36215300 |
36215300 | 1,5:1 (20/30) | 5 | 30 | 155,5 | 150 | 70 | 12 | 40 | 46,3 | 26,4 | 40 | 30 | 72 | 90,9 | 3070 | 36215200 |