Kužeľové súkolesie, oceľ, systém s rovnými zubami, pomer 3,5:1


Material: up to module 2: 11SMn30+SH (1.0715). From module 2.5: C45.
Tooth quality 8 modelled on DIN 3967 (from module 2).
With crowned, milled teeth. Not hardened – not lapped.
Shaft angle = 90º.
The bevel gears only run as a pair at the stated ratio and at the same module.
Note for ordering: These gears are sold singulary, not by pair. For a pair of bevel gears, you have to order two matching gears of the same module, with a different number of teeth of the same ratio.
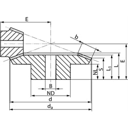
SKU | Transmission [i] | Module | No. of Teeth | da [mm] | d [mm] | ND [mm] | NL [mm] | L1 [mm] | L [mm] | S [mm] | b [mm] | BH7 [mm] | E [mm] | Admissible MD [Nm] | Weight [g] | Corresponding Counter Wheel [Article-No.] |
---|---|---|---|---|---|---|---|---|---|---|---|---|---|---|---|---|
36058400 | 3,5:1 (16/56) | 1 | 16 | 18,7 | 16 | 13 | 7,6 | 16 | 16,6 | 8,4 | 8,7 | 5 | 36 | 0,127 | 16 | 36058500 |
36058500 | 3,5:1 (16/56) | 1 | 56 | 56,3 | 56 | 30 | 10 | 14 | 16,7 | 14,6 | 8,7 | 8 | 22 | 0,445 | 130 | 36058400 |
36078400 | 3,5:1 (16/56) | 1,5 | 16 | 28,1 | 24 | 18 | 12,2 | 24 | 26 | 13,6 | 13,1 | 8 | 55 | 0,45 | 48 | 36078500 |
36078500 | 3,5:1 (16/56) | 1,5 | 56 | 84,5 | 84 | 50 | 12 | 24 | 27,1 | 23,8 | 13,1 | 15 | 35 | 1,58 | 634 | 36078400 |
36108400 | 3,5:1 (16/56) | 2 | 16 | 35,9 | 32 | 20 | 10 | 25 | 26,8 | 12,5 | 15 | 10 | 68 | 0,99 | 82 | 36108500 |
36108500 | 3,5:1 (16/56) | 2 | 56 | 113,1 | 112 | 60 | 18 | 31 | 35,5 | 31,9 | 15 | 25 | 46 | 3,47 | 1200 | 36108400 |
36118400 | 3,5:1 (16/56) | 2,5 | 16 | 44,9 | 40 | 30 | 16,5 | 36 | 37,7 | 18,7 | 20 | 10 | 88 | 6,0 | 220 | 36118500 |
36118500 | 3,5:1 (16/56) | 2,5 | 56 | 141,4 | 140 | 80 | 18 | 32 | 37,2 | 32,4 | 20 | 25 | 50 | 21,0 | 2300 | 36118400 |
36148400 | 3,5:1 (16/56) | 3 | 16 | 53,9 | 48 | 40 | 15 | 39 | 40,6 | 16,8 | 25 | 15 | 100 | 10,9 | 340 | 36148500 |
36148500 | 3,5:1 (16/56) | 3 | 56 | 169,7 | 168 | 80 | 18 | 33 | 39,8 | 34,0 | 25 | 30 | 55 | 38,2 | 3100 | 36148400 |
36188400 | 3,5:1 (16/56) | 4 | 16 | 71,9 | 64 | 50 | 13 | 42 | 44,6 | 16,1 | 30 | 20 | 127 | 24,7 | 660 | 36188500 |
36188500 | 3,5:1 (16/56) | 4 | 56 | 226,3 | 224 | 90 | 20 | 40 | 49,0 | 42,0 | 30 | 30 | 70 | 86,5 | 6900 | 36188400 |