Náboje na skrutkovanie pre kotúčové kolesá


Material: Steel.
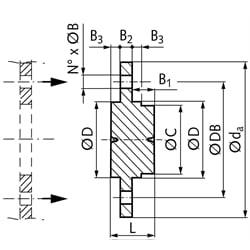
Hub for fixing a chain plate wheel or similar parts onto a shaft. The wheel must get a center hole Ø D (recommended tolerance: H8) and bores for mounting bolts. It can be mounted on the right side or left side. The bolt length depends on the wheel width. Bolts and nuts are not included. The wheel has to be ordered separately. Customized bores and keyway available at extra charge. Reworking like hub hole for the shaft against extra charge.
SKU | da [mm] | L [mm] | Dh9 [mm] | C [mm] | B1 [mm] | B2 [mm] | B3 [mm] | DB [mm] | N° [mm] | B [mm] | Pos. | Gewicht [kg] |
---|---|---|---|---|---|---|---|---|---|---|---|---|
14090180 | 55 | 20,0 | 30 | 27 | 13,0 | 4 | 3,0 | 45 | 6 | 4,2 | 60° | 0,16 |
14090181 | 70 | 25,0 | 40 | 37 | 14,8 | 5 | 5,2 | 58 | 6 | 5,2 | 60° | 0,33 |
14090182 | 80 | 32,0 | 50 | 47 | 18,0 | 7 | 7,0 | 67 | 6 | 6,2 | 60° | 0,63 |
14090183 | 90 | 38,5 | 60 | 55 | 22,8 | 7 | 8,7 | 76 | 6 | 6,2 | 60° | 0,98 |
14090184 | 110 | 45,5 | 70 | 65 | 27,0 | 8 | 10,5 | 94 | 6 | 8,2 | 60° | 1,42 |
14090185 | 130 | 55,0 | 80 | 75 | 28,0 | 12 | 15,0 | 107 | 6 | 8,2 | 60° | 2,85 |
14090186 | 170 | 73,0 | 100 | 95 | 33,0 | 17 | 23,0 | 140 | 6 | 10,2 | 60° | 6,32 |
14090187 | 220 | 83,0 | 140 | 135 | 40,0 | 20 | 23,0 | 182 | 6 | 12,2 | 60° | 13,28 |
14090188 | 245 | 93,0 | 160 | 155 | 43,0 | 25 | 25,0 | 205 | 6 | 16,5 | 60° | 19,48 |