Skrutky s dierkami, pozinkovaná oceľ



Material: Steel 1.0044 (AISI 1020) zinc-plated.
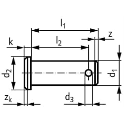
Bolts for transmission of radial forces with slightly part-turn movement, like in clevis joints. With pinhole for a split pin DIN EN ISO 1234 (formerly DIN 94) or a spring cotter pin. To be used with one washer DIN EN ISO 7089 (formerly DIN 125 A). The pin is only a protection against unwanted loosening. Not for axial load.
SKU | d1h11 [mm] | d2h14 [mm] | d3H14 [mm] | l1js15 [mm] | l2+0,5 [mm] | kjs14 [mm] | zk [mm] | z [mm] | Gewicht [g] |
---|---|---|---|---|---|---|---|---|---|
63740004 | 4 | 6 | 1 | 12 | 10 | 1 | 0,5 | 0,8 | 1,3 |
63740005 | 5 | 8 | 1 | 15 | 12,3 | 1,5 | 0,5 | 0,8 | 2,6 |
63740006 | 6 | 9 | 1,6 | 18 | 15,3 | 1,5 | 0,5 | 1 | 4,6 |
63740008 | 8 | 12 | 2 | 23 | 19,5 | 2 | 1 | 1 | 10 |
63740010 | 10 | 14 | 3,2 | 29 | 24,5 | 2 | 1 | 1,5 | 19 |
63740012 | 12 | 17 | 4 | 35 | 29,5 | 3 | 1,5 | 1,5 | 34 |
63740014 | 14 | 19 | 4 | 40 | 32,5 | 3 | 1,5 | 1,5 | 53 |
63740016 | 16 | 20 | 4 | 45 | 38,2 | 3,5 | 1,5 | 1,5 | 72 |
63740018 | 18 | 25 | 5 | 50 | 43,5 | 3,5 | 1,5 | 1,5 | 104 |
63740020 | 20 | 28 | 5 | 53 | 47 | 4 | 2 | 1,5 | 139 |
63740025 | 25 | 34 | 6,3 | 67 | 59 | 5,5 | 3 | 1,5 | 266 |
63740028 | 28 | 34 | 6,3 | 72 | 63,2 | 5,5 | 3 | 2 | 361 |
63740030 | 30 | 36 | 6,3 | 67 | 59 | 5,5 | 3 | 2 | 383 |
63740031 | 30 | 36 | 6,3 | 77 | 68,2 | 5,5 | 3 | 2 | 428 |
63740035 | 35 | 45 | 8 | 87 | 76,5 | 7 | 3 | 2 | 677 |
63740040 | 40 | 48 | 8 | 100 | 90 | 6 | 3 | 5 | 1035 |
63740042 | 42 | 48 | 8 | 100 | 90 | 7 | 3 | 5 | 1151 |
63740050 | 50 | 58 | 10 | 115 | 103 | 7 | 3 | 6 | 1846 |