Puzdra na redukciu otvoru pre univerzálne kĺbové hriadele UW


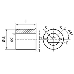
Material: Product No. 622 302 05 up to 622 304 05 made from brass. Product No. 622 303 05 up to 622 318 20 made from aluminium. To guarantee an optimum shaft-hub connection, the bore-reducing bush should be used as follows: "S" indicates the adjusting screw inside the adjusting-screw hub."T" indicates tangential attachment screws for the clamping hub."F" indicates the recommended positioning of the flattened shaft with adjusting-screw hubs. Please note that concentricity and constant velocity can be influenced by mounted bushes. To achieve the best possible performance, we recommend using shafts of tolerance class h6. Undersized shafts are less effective. For the same reason we would not recommend using flattened shafts with more than 1/4 of the diameter removed.
SKU | Matching with Universal Shaft | d+0,03 [mm] | d1 [mm] | l [mm] | Weight [g] |
---|---|---|---|---|---|
62230205 | 630 811 00 | 2 | 5,0 | 4,3 | 1 |
62230305 | 630 811 00, 630 814 00 | 3 | 5,0 | 4,3 | 1 |
62230405 | 630 811 00, 630 814 00 | 4 | 5,0 | 4,3 | 1 |
62230410 | 630 817 00, 630 823 00 | 4 | 10,0 | 8,1 | 1 |
62230510 | 630 817 00, 630 823 00 | 5 | 10,0 | 8,1 | 1 |
62230512 | 630 828 00 | 5 | 12,7 | 10,7 | 3 |
62230610 | 630 817 00, 630 823 00 | 6 | 10,0 | 8,1 | 1 |
62230612 | 630 828 00 | 6 | 12,7 | 10,7 | 3 |
62230810 | 630 817 00, 630 823 00 | 8 | 10,0 | 8,1 | 1 |
62230812 | 630 828 00 | 8 | 12,7 | 10,7 | 3 |
62230912 | 630 828 00 | 9 | 12,7 | 10,7 | 3 |
62231012 | 630 828 00 | 10 | 12,7 | 10,7 | 3 |
62231020 | 630 836 00 | 10 | 20,0 | 20,0 | 6 |
62231220 | 630 836 00 | 12 | 20,0 | 20,0 | 6 |
62231420 | 630 836 00 | 14 | 20,0 | 20,0 | 6 |
62231520 | 630 836 00 | 15 | 20,0 | 20,0 | 6 |
62231620 | 630 836 00 | 16 | 20,0 | 20,0 | 6 |
62231820 | 630 836 00 | 18 | 20,0 | 20,0 | 6 |