Pántové upevnenia, pevné, široký dizajn (ALU), protikus pre široké vidlice


Material: Aluminium die-cast. Mating Piece for Clevis Mounting.
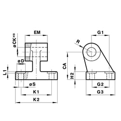
SKU | Cylinder-Ø [mm] | CA [mm] | CK H7 [mm] | Ø D [mm] | EM [mm] | G1 [mm] | G2 [mm] | G3 [mm] | H2 [mm] | K1 [mm] | K2 [mm] | L1 [mm] | R [mm] | Ø S [mm] | Z [degrees] | Weight [g] |
---|---|---|---|---|---|---|---|---|---|---|---|---|---|---|---|---|
81001032 | 32 | 32 | 10 | 11 | 26 | 21 | 18 | 31 | 8 | 38 | 51 | 1,6 | 10 | 6,6 | 13° | 150 |
81001040 | 40 | 36 | 12 | 11 | 28 | 24 | 22 | 35 | 10 | 41 | 54 | 1,6 | 11 | 6,6 | 13° | 200 |
81001050 | 50 | 45 | 12 | 15 | 32 | 33 | 30 | 45 | 12 | 50 | 65 | 1,6 | 13 | 9,0 | 13° | 480 |
81001063 | 63 | 50 | 16 | 15 | 40 | 37 | 35 | 50 | 12 | 52 | 67 | 1,6 | 15 | 9,0 | 15° | 500 |
81001080 | 80 | 63 | 16 | 18 | 50 | 47 | 40 | 60 | 14 | 66 | 86 | 2,5 | 15 | 11,0 | 15° | 750 |