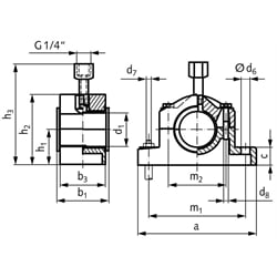
Vrchné ložiská DIN 505 L, s puzdrom z červenej mosadze


Material: Grey Cast Iron GG25. Bush red brass Rg7 (CuSn7Zn4Pb7-C).
Bore Tolerance: ISO D10.
SKU | d1 [mm] | Bore tolerance [mm] | a [mm] | b1 [mm] | b3 [mm] | c [mm] | d6 [mm] | d7 [mm] | d8 [mm] | h1 [mm] | h2 [mm] | h3 [mm] | m1 [mm] | m2 [mm] | Weight [kg] |
---|---|---|---|---|---|---|---|---|---|---|---|---|---|---|---|
62032500 | 25 | +0,149/+0,065 | 165 | 45 | 40 | 22 | 15 | M 12 | M10 | 40 | 78 | 116 | 125 | 65 | 1,6 |
62033000 | 30 | +0,149/+0,065 | 165 | 45 | 40 | 22 | 15 | M 12 | M10 | 40 | 78 | 116 | 125 | 65 | 1,6 |
62033500 | 35 | +0,18/+0,08 | 180 | 50 | 45 | 25 | 15 | M 12 | M10 | 50 | 95 | 130 | 140 | 75 | 2,25 |
62034000 | 40 | +0,18/+0,08 | 180 | 50 | 45 | 25 | 15 | M 12 | M10 | 50 | 95 | 130 | 140 | 75 | 2,25 |
62034500 | 45 | +0,18/+0,08 | 210 | 55 | 50 | 30 | 19 | M 16 | M12 | 60 | 114 | 142 | 160 | 90 | 3,25 |
62035000 | 50 | +0,18/+0,08 | 210 | 55 | 50 | 30 | 19 | M 16 | M12 | 60 | 114 | 142 | 160 | 90 | 3,25 |
62036000 | 60 | +0,22/+0,10 | 225 | 60 | 55 | 35 | 19 | M 16 | M12 | 70 | 132 | 162 | 175 | 100 | 4,35 |
62037000 | 70 | +0,22/+0,10 | 270 | 65 | 60 | 40 | 24 | M 20 | M16 | 80 | 154 | 192 | 210 | 120 | 7,1 |
62038000 | 80 | +0,22/+0,10 | 290 | 75 | 70 | 45 | 24 | M 20 | M16 | 90 | 170 | 206 | 230 | 130 | 10,2 |