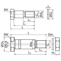
Centrálne skrutky LFZ pre profilové vodiace valčeky


Material: Heat-treated steel, black oxide finish.
• Centric bolt for mounting profil track rollers on fixed position.
• Normally, a carriage has four rollers: On one side two rollers with centric bolts on fixed position. On the other side two rollers on eccentric bolts, so that they can get adjusted clearance-free.
• The assignment of the bolt to the profil track roller is made by the linear shaft diameter dw and the bolt diameter dz.
• Included in scope of delivery, there is a distance washer for release mount of the track roller, for turn without binding (from LFZ8).
SKU | Bezeichnung | dw [mm] | dz [mm] | L [mm] | L2 [mm] | L3 [mm] | DK [mm] | G1 [mm] | H1 [mm] | S [mm] | DS [mm] | SW [mm] | SW1 [mm] | Gewicht [g] |
---|---|---|---|---|---|---|---|---|---|---|---|---|---|---|
64780301 | LFZ5 | 4/6 | 5 | 19,5 | 16 | 9,5 | 10 | M4 | - | - | - | 3 | - | 6 |
64780303 | LFZ8 | 6 | 8 | 28,3 | 24,3 | 15 | - | M8 | - | 1 | 14 | 12 | - | 14 |
64780304 | LFZ12 | 10 | 12 | 43 | 36 | 22 | - | M10 | - | 1,8 | 21 | 17 | - | 34 |
64780305 | LFZ12/M12 | 10 | 12 | 50,8 | 43,8 | 24 | - | M12 | - | 1,8 | 19 | 17 | - | 50 |
64780306 | LFZ15 | 10 | 15 | 50,8 | 43,8 | 26 | - | M12 | - | 1,8 | 21 | 19 | - | 60 |
64780307 | LFZ12x45A1 | 12 | 12 | 50 | 45 | 16 | 20 | M10x1,5 | 8 | 2 | 21 | 17 | 17 | 40 |
64780308 | LFZ20x67A1 | 16 | 20 | 75 | 67 | 23 | 30 | M16x1,5 | 13 | 3 | 30 | 27 | 24 | 200 |
64780309 | LFZ25x82A1 | 20/25 | 25 | 92 | 82 | 30 | 40 | M20x1,5 | 16 | 3 | 37 | 36 | 30 | 400 |
64780311 | LFZ30x95A1 | 30 | 30 | 107 | 95 | 32 | 45 | M24x1,5 | 19 | 4 | 44 | 41 | 36 | 620 |
64780312 | LFZ40x107A1 | 40 | 40 | 117 | 107 | 42 | 55 | M30x1,5 | 24 | 4 | 56 | 46 | 46 | 1100 |