Reťazové spojky s puzdrom


Material: Chain wheels made of steel, with hardened teeth. Chain made from steel, with clip link. Casing made from aluminium, yellow painted, with o-rings. The couplings are delivered unassembled. The chain wheels are with pre-borehole. The chain and the chain connection link are unmounted. Before using, the casing has to be filled by the customer with grease. -Elastic transmission of torque. -Fast declutching by simply loosening the chain. -Shafts do not need to be exactly aligned. -No axial shaft clearance permissible. Temperature range: -30°C to +220°C.
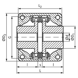
SKU | Type | Chain [DIN] | Torque Nominal (Nm] | Torque max. (Nm] | Speed max. [min -1] | d [mm] | d max.* [mm] | D1 [mm] | D2 [mm] | G [mm] | L [mm] | L2 [mm] | l [mm] | s [mm] | Weight [kg] | Replacement Chain [Art.-Nr.] |
---|---|---|---|---|---|---|---|---|---|---|---|---|---|---|---|---|
14033012 | 3012 | 06 B-2 | 45 | 190 | 5000 | 12 | 16 | 27,2 | 69 | 45 | 65 | 63 | 29,5 | 6 | 0,53 | 14033112 |
14034012 | 4012 | 08 A-2 | 110 | 249 | 4800 | 12 | 22 | 36 | 77 | 62 | 79,4 | 72 | 36 | 7,4 | 1,03 | 14034112 |
14034014 | 4014 | 08 A-2 | 150 | 329 | 4800 | 12 | 28 | 45 | 84 | 69 | 79,4 | 75 | 36 | 7,4 | 1,43 | 14034114 |
14034016 | 4016 | 08 A-2 | 180 | 419 | 4800 | 13,5 | 32 | 51,5 | 92 | 77 | 87,4 | 75 | 40 | 7,4 | 1,85 | 14034116 |
14035014 | 5014 | 10 A-2 | 250 | 620 | 3600 | 14,5 | 35 | 56 | 101 | 86 | 99,7 | 85 | 45 | 9,7 | 2,62 | 14035114 |
14035016 | 5016 | 10 A-2 | 300 | 791 | 3600 | 14,5 | 40 | 64 | 111 | 96 | 99,7 | 85 | 45 | 9,7 | 3,25 | 14035116 |
14035018 | 5018 | 10 A-2 | 380 | 979 | 3000 | 16 | 45 | 73,5 | 122 | 106 | 99,7 | 85 | 45 | 9,7 | 4,20 | 14035118 |
14036018 | 6018 | 12 A-2 | 630 | 1810 | 2500 | 20 | 56 | 89,5 | 147 | 127 | 123,5 | 105 | 56 | 11,5 | 7,75 | 14036118 |
14036020 | 6020 | 12 A-2 | 770 | 2210 | 2500 | 20 | 60 | 102,5 | 160 | 139 | 123,5 | 105 | 56 | 11,5 | 9,58 | 14036120 |