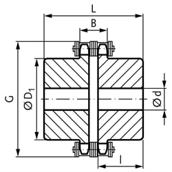
Reťazové spojky


Material: Steel, with double-strand chain DIN ISO 606 (ex DIN 8187). The couplings are delivered unassembled. The chain is packed seperately. Number of teeth = 18. -Elastic transmission of torque. -Fast declutching by simply loosening the chain. -Shafts do not need to be exactly aligned. -No axial shaft clearance permissible. Temperature range: -30°C to +220°C. *Selection according to the ratio of driving power to speed (P/n), the nominal torque must not be exceeded (incl. operating factor).
SKU | DIN-ISO | Torque Md [Nm] | Centrifugal Moment m D² [kgm²] | P / n [k W/min -1] | n max. [min -1] | d min. [mm] | D1 [mm] | l [mm] | B [mm] | G [mm] | L [mm] | Weight [kg] |
---|---|---|---|---|---|---|---|---|---|---|---|---|
14030100 | 06 B-2 | 95 | 0,00117 | 0,0097 | 6000 | 12 | 45 | 25 | 15,2 | 63,9 | 55,0 | 0,78 |
14030400 | 08 B-2 | 240 | 0,00474 | 0,0246 | 5500 | 15 | 60 | 32 | 20,7 | 86,0 | 71,0 | 1,83 |
14030800 | 10 B-2 | 380 | 0,01300 | 0,0390 | 4500 | 15 | 75 | 35 | 25,0 | 107,0 | 78,0 | 3,21 |
14031200 | 12 B-2 | 600 | 0,03010 | 0,0616 | 3000 | 25 | 90 | 40 | 29,5 | 126,5 | 89,5 | 4,97 |
14031600 | 16 B-2 | 1480 | 0,15800 | 0,1519 | 2500 | 30 | 120 | 60 | 46,7 | 170,0 | 137,0 | 12,3 |