Napínače reťazí pre jednoradové valčekové reťaze B-1
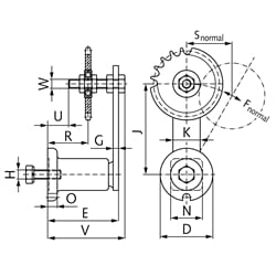
Material: Housing sintered steel or grey cast iron GG20, lever St52, sprocket made of steel. This tensioning element, a continually-tensioning torsion element, prolongs the service life of chain and belt drives by at least 30%, and radically reduces maintenance and repair work. The unique operating principle of this spring offers a long tensioning distance, especially as the lever can be pre-tensioned by up to 30° in both directions. The permanent torsion force does not only automatically compensate the chain elongation, the rubber mounted element also dampens vibrations and shocks in the entire drive. Other advantages: chain track adjustable, rubber suspension, adjustable at an angle of 360º, tensioning pressure steplessly adjustable from 'normal' to 'hard'. Can be used for both tensioning directions.
| SKU | DIN / ISO-Nr. | Pitch [in.] | No. of Teeth | Pitch Circle Ø [mm] | Clamping Element [Size] | F max. at normal [N] | F max. at hard [N] | s max. at normal [mm] | s max. at hard [mm] | D [mm] | E [mm] | G [mm] | H [mm] | J [mm] | K [mm] | N [mm] | O [mm] | R [mm] | U [mm] | V [mm] | W [mm] | Weight [kg] |
|---|---|---|---|---|---|---|---|---|---|---|---|---|---|---|---|---|---|---|---|---|---|---|
| 14050100 | 06 B-1 | 3/8 x 7/32 | 15 | 45,81 | 2 | 350 | 440 | 50 | 40 | 58 | 79+1,5-0,5 | 7 | M 10 | 100 | 30 | 35 | 10,5 | 34-55 | 23 | 85 | M 10 | 0,75 |
| 14050200 | 081 | 1/2 x 1/8 | 18 | 73,14 | 2 | 350 | 440 | 50 | 40 | 58 | 79+1,5-0,5 | 7 | M 10 | 100 | 30 | 35 | 10,5 | 40-48 | 23 | 88 | M 16 | 0,95 |
| 14050300 | 083 | 1/2 x 3/16 | 18 | 73,14 | 2 | 350 | 440 | 50 | 40 | 58 | 79+1,5-0,5 | 7 | M 10 | 100 | 30 | 35 | 10,5 | 40-48 | 23 | 88 | M 16 | 0,96 |
| 14050500 | 08 B-1 | 1/2 x 5/16 | 15 | 61,08 | 2 | 350 | 440 | 50 | 40 | 58 | 79+1,5-0,5 | 7 | M 10 | 100 | 30 | 35 | 10,5 | 34-55 | 23 | 85 | M 10 | 0,80 |
| 14050600 | 10 B-1 | 5/8 x 3/8 | 15 | 76,36 | 3 | 810 | 1050 | 65 | 50 | 78 | 108 +2-0,5 | 8 | M 12 | 130 | 50 | 52 | 15 | 42-80 | 27 | 115 | M 12 | 2,05 |
| 14050700 | 12 B-1 | 3/4 x 7/16 | 15 | 91,63 | 3 | 810 | 1050 | 65 | 50 | 78 | 108 +2-0,5 | 8 | M 12 | 130 | 50 | 52 | 15 | 42-80 | 27 | 115 | M 12 | 2,25 |
| 14050800 | 16 B-1 | 1"x17,02mm | 13 | 106,14 | 4 | 1500 | 1875 | 87,5 | 70 | 95 | 140 +2-0,5 | 10 | M 16 | 175 | 60 | 66 | 15 | 60-100 | 40 | 153 | M 20 | 4,80 |