Napínače reťazí pre trojradové valčekové reťaze B-3


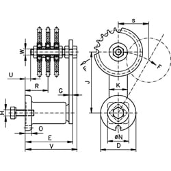
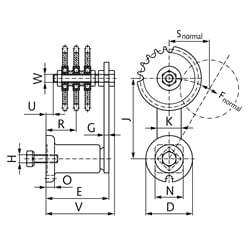
Material: Housing sintered steel or grey cast iron GG20, lever St52, sprocket made of steel. This tensioning element, a continually-tensioning torsion element, prolongs the service life of chain and belt drives by at least 30%, and radically reduces maintenance and repair work. The unique operating principle of this spring offers a long tensioning distance, especially as the lever can be pre-tensioned by up to 30° in both directions. The permanent torsion force does not only automatically compensate the chain elongation, the rubber mounted element also dampens vibrations and shocks in the entire drive. Other advantages: chain track adjustable, rubber suspension, adjustable at an angle of 360º, tensioning pressure steplessly adjustable from 'normal' to 'hard'. Can be used for both tensioning directions.
SKU | DIN / ISO-Nr. | Pitch [in.] | No. of Teeth | Pitch Circle Ø [mm] | Clamping Element [Size] | Max. Clamping Force [N] | D [mm] | E [mm] | G [mm] | H [mm] | J [mm] | K [mm] | N [mm] | O [mm] | R [mm] | Smax. [mm] | U [mm] | V [mm] | W [mm] | Weight [kg] |
---|---|---|---|---|---|---|---|---|---|---|---|---|---|---|---|---|---|---|---|---|
14053100 | 06 B-3 | 3/8 x 7/32 | 15 | 45,81 | 2 | 350 | 58 | 79 +1,5 -0,5 | 7 | M10 | 100 | 30 | 35 | 10,5 | 25-45 | 50 | 6 | 85 | M 10 | 0,9 |
14053500 | 08 B-3 | 1/2 x 5/16 | 15 | 61,08 | 2 | 350 | 58 | 79 +1,5 -0,5 | 7 | M10 | 100 | 30 | 35 | 10,5 | 23-47 | 50 | 6 | 85 | M 12 | 0,9 |
14053600 | 10 B-3 | 5/8 x 3/8 | 15 | 76,36 | 3 | 810 | 78 | 108 +2,0 -0,5 | 8 | M12 | 130 | 50 | 52 | 15 | 40-64 | 65 | 15 | 115 | M 12 | 3,25 |
14053700 | 12 B-3 | 3/4 x7/16 | 15 | 91,63 | 4 | 1500 | 95 | 140 +2,0 -0,5 | 10 | M16 | 175 | 60 | 66 | 15 | 56-80 | 87,5 | 30 | 153 | M 20 | 6,5 |