Napínače reťazí SPANN-BOX® veľkosť 0, B-1 a B-2
Material: Housing from thermoplast. Chain rider from ultra-high-molecular polyethylene PE-UHMW. Screws and spring from stainless steel.
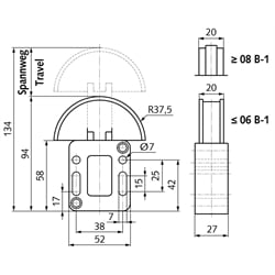
These small, ready-to install tensioners enable noise reduction and wear reduction at chain drives.
• With spiral, linear spring. On choice two tensioning forces.
• With colored wear-off indicator: Green: o.k. Yellow: still o.k. Red: Tensioning force too low (below 32N or 60N).
• Usable travel up to the end of the yellow range: About 32mm. Total travel about 40mm.
• Interchangeable with similar parts of other suppliers.
Temperature range: -20°C to +60°C (short time up to +80°C).
| SKU | DIN ISO | Teilung [Zoll] | Spannkraft [N] | Gewicht [g] |
|---|---|---|---|---|
| 14040101 | ≤ 06 B-1 | 3/8x 7/32" | 58-32 | 130 |
| 14040201 | ≤ 06 B-1 | 3/8x 7/32" | 132-60 | 130 |
| 14040105 | 08-10 B-1 | 1/2 x 5/8" | 58-32 | 130 |
| 14040205 | 08-10 B-1 | 1/2 x 5/8" | 132-60 | 130 |
| 14040107 | 12 B-1 | 3/4 x7/16" | 58-32 | 135 |
| 14040207 | 12 B-1 | 3/4 x7/16" | 132-60 | 135 |
| 14040121 | 06 B-2 | 3/8x 7/32" | 58-32 | 130 |
| 14040221 | 06 B-2 | 3/8x 7/32" | 132-60 | 130 |
| 14040125 | 08 B-2 | 1/2 x 5/16'' | 58-32 | 130 |
| 14040225 | 08 B-2 | 1/2x5/16" | 132-60 | 130 |
| 14040126 | 10 B-2 | 5/8 x 3/8" | 58-32 | 135 |
| 14040226 | 10 B-2 | 5/8 x 3/8" | 132-60 | 135 |