Napínacie kolesá reťaze KSP-R s ložiskom, nehrdzavejúca oceľ B-1


Material: Sprocket stainless steel 1.4301 (AISI 304). Bearing made from stainless roller bearing steel.
Ready-to-mount idlers, complete with bearing. Cost-efficient. Can be mounted at the deflection or tensioning points. Perfect workmanship and stable mounting of the ball bearing with shields on both sides guarantee a high resistance against breakage and wear. Easy to mount by the extra long internal ring. Also suitable for agricultural and textile machines. Maintenance-free bearing, with grease filling.
Temperature range: -20º to +120ºC.
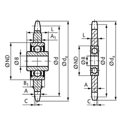
SKU | Ausführung | DIN / ISO-Nr. | Teilung [Zoll] | Zähnezahl | da [mm] | d [mm] | A [mm] | A1 [mm] | C [mm] | B [mm] | Toleranz B [mm] | ND [mm] | B1 [mm] | L [mm] | Tragzahl dyn. [k N] | Tragzahl stat. [k N] | Gewicht [g] |
---|---|---|---|---|---|---|---|---|---|---|---|---|---|---|---|---|---|
14099000 | A | 05 B-1 | 8mm | 23 | 62,2 | 58,75 | 2,8 | 7,0 | 0,8 | 16 | +0,26 / +0,13 | 40 | 12 | 18,3 | 5,3 | 3,2 | 125 |
14099001 | B | 06 B-1 | 3/8 x 7/32" | 15 | 49,5 | 45,81 | 5,3 | 5,3 | 1,0 | 10 | +0 / -0,008 | 30 | 9 | 9,0 | 3,1 | 1,4 | 60 |
14099120 | A | 06 B-1 | 3/8 x 7/32" | 20 | 64,3 | 60,89 | 5,3 | 7,0 | 1,0 | 16 | +0,26 / +0,13 | 40 | 12 | 18,3 | 5,3 | 3,2 | 135 |
14099100 | A | 06 B-1 | 3/8 x 7/32" | 21 | 68,0 | 63,91 | 5,3 | 7,0 | 1,0 | 16 | +0,26 / +0,13 | 40 | 12 | 18,3 | 5,3 | 3,2 | 145 |
14099316 | A | 083 | 1/2 x 3/16" | 16 | 70,9 | 65,10 | 4,5 | 7,0 | 1,3 | 16 | +0,26 / +0,13 | 40 | 12 | 18,3 | 5,3 | 3,2 | 169 |
14099300 | A | 083 | 1/2 x 3/16" | 18 | 78,9 | 73,14 | 4,5 | 7,0 | 1,3 | 16 | +0,26 / +0,13 | 40 | 12 | 18,3 | 5,3 | 3,2 | 195 |
14099514 | A | 08 B-1 | 1/2 x 5/16" | 14 | 61,8 | 57,07 | 7,2 | 7,2 | 1,3 | 16 | +0,26 / +0,13 | 40 | 12 | 18,3 | 5,3 | 3,2 | 117 |
14099005 | B | 08 B-1 | 1/2 x 5/16" | 15 | 65,5 | 61,09 | 7,2 | 7,2 | 1,3 | 10 | +0 / -0,008 | 30 | 9 | 9,0 | 3,1 | 1,4 | 150 |
14099515 | A | 08 B-1 | 1/2 x 5/16" | 15 | 65,5 | 61,09 | 7,2 | 7,2 | 1,3 | 16 | +0,26 / +0,13 | 40 | 12 | 18,3 | 5,3 | 3,2 | 146 |
14099516 | A | 08 B-1 | 1/2 x 5/16" | 16 | 69,5 | 65,10 | 7,2 | 7,2 | 1,3 | 16 | +0,26 / +0,13 | 40 | 12 | 18,3 | 5,3 | 3,2 | 163 |
14099500 | A | 08 B-1 | 1/2 x 5/16" | 18 | 77,5 | 73,14 | 7,2 | 7,2 | 1,3 | 16 | +0,26 / +0,13 | 40 | 12 | 18,3 | 5,3 | 3,2 | 210 |
14099520 | A | 08 B-1 | 1/2 x 5/16" | 20 | 85,8 | 81,19 | 7,2 | 7,2 | 1,3 | 16 | +0,26 / +0,13 | 40 | 12 | 18,3 | 5,3 | 3,2 | 265 |
14099521 | A | 08 B-1 | 1/2 x 5/16" | 21 | 89,7 | 85,22 | 7,2 | 7,2 | 1,3 | 16 | +0,26 / +0,13 | 40 | 12 | 18,3 | 5,3 | 3,2 | 289 |
14099613 | A | 10 B-1 | 5/8 x 3/8" | 13 | 73,0 | 66,32 | 9,1 | 9,1 | 1,6 | 16 | +0,26 / +0,13 | 40 | 12 | 18,3 | 5,3 | 3,2 | 215 |
14099614 | A | 10 B-1 | 5/8 x 3/8" | 14 | 78,0 | 71,34 | 9,1 | 9,1 | 1,6 | 16 | +0,26 / +0,13 | 40 | 12 | 18,3 | 5,3 | 3,2 | 245 |
14099006 | B | 10 B-1 | 5/8 x 3/8" | 15 | 83,0 | 76,36 | 9,1 | 9,1 | 1,6 | 12 | +0 / -0,008 | 37 | 12 | 12,0 | 5,8 | 3,1 | 270 |
14099615 | A | 10 B-1 | 5/8 x 3/8" | 15 | 83,0 | 76,36 | 9,1 | 9,1 | 1,6 | 16 | +0,26 / +0,13 | 40 | 12 | 18,3 | 5,3 | 3,2 | 285 |
14099616 | A | 10 B-1 | 5/8 x 3/8" | 16 | 88,0 | 81,37 | 9,1 | 9,1 | 1,6 | 16 | +0,26 / +0,13 | 40 | 12 | 18,3 | 5,3 | 3,2 | 325 |
14099600 | A | 10 B-1 | 5/8 x 3/8" | 17 | 93,0 | 86,39 | 9,1 | 9,1 | 1,6 | 16 | +0,26 / +0,13 | 40 | 12 | 18,3 | 5,3 | 3,2 | 355 |
14099618 | A | 10 B-1 | 5/8 x 3/8" | 18 | 98,3 | 91,42 | 9,1 | 9,1 | 1,6 | 16 | +0,26 / +0,13 | 40 | 12 | 18,3 | 5,3 | 3,2 | 405 |
14099621 | A | 10 B-1 | 5/8 x 3/8" | 21 | 113,4 | 106,52 | 9,1 | 9,1 | 1,6 | 16 | +0,26 / +0,13 | 40 | 12 | 18,3 | 5,3 | 3,2 | 565 |
14099712 | A | 12 B-1 | 3/4 x 7/16" | 12 | 81,5 | 73,61 | 11,1 | 11,1 | 2,0 | 16 | +0,26 / +0,13 | 40 | 12 | 18,3 | 5,3 | 3,2 | 280 |
14099713 | A | 12 B-1 | 3/4 x 7/16" | 13 | 87,5 | 79,59 | 11,1 | 11,1 | 2,0 | 16 | +0,26 / +0,13 | 40 | 12 | 18,3 | 5,3 | 3,2 | 340 |
14099007 | B | 12 B-1 | 3/4 x 7/16" | 15 | 99,8 | 91,63 | 11,1 | 11,1 | 2,0 | 12 | +0 / -0,008 | 37 | 12 | 12,0 | 5,8 | 3,1 | 470 |
14099700 | A | 12 B-1 | 3/4 x 7/16" | 15 | 99,8 | 91,63 | 11,1 | 11,1 | 2,0 | 16 | +0,26 / +0,13 | 40 | 12 | 18,3 | 5,3 | 3,2 | 470 |
14099716 | A | 12 B-1 | 3/4 x 7/16" | 16 | 105,5 | 97,65 | 11,1 | 11,1 | 2,0 | 16 | +0,26 / +0,13 | 40 | 12 | 18,3 | 5,3 | 3,2 | 540 |
14099800 | A | 16 B-1 | 1" x 17,02mm | 12 | 109,0 | 98,14 | 16,2 | 16,2 | 2,5 | 20 | +0 / -0,01 | 47 | 14 | 17,7 | 7,1 | 4,4 | 705 |
14099008 | B | 16 B-1 | 1" x 17,02mm | 13 | 117,7 | 106,12 | 16,2 | 16,2 | 2,5 | 20 | +0 / -0,01 | 52 | 15 | 15,0 | 8,4 | 4,7 | 880 |
14099815 | A | 16 B-1 | 1" x 17,02mm | 15 | 133,0 | 122,17 | 16,2 | 16,2 | 2,5 | 20 | +0 / -0,01 | 47 | 14 | 17,7 | 7,1 | 4,4 | 1185 |
14099817 | A | 16 B-1 | 1" x 17,02mm | 17 | 149,0 | 138,22 | 16,2 | 16,2 | 2,5 | 20 | +0 / -0,01 | 47 | 14 | 17,7 | 7,1 | 4,4 | 1545 |