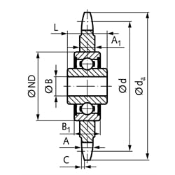
Napínacie kolesá reťaze KSP s ložiskom B-1


Material: Sprocket steel C45, black oxide finish. Bearing made from roller bearing steel.
These chain tensioning wheels are ready-to-mount elements, complete with bearing. They are cost-efficient and can be mounted at the deflection or tensioning points. Perfect workmanship and stable mounting of the ball bearing with double front packing cover guarantee a high resistance against breakage and wear. The extra long internal ring makes the mounting on machines easy. Also suitable for agricultural and textile machines. Bearing requires no maintenance, as it is already supplied with a grease packing. Sprocket burnished. Temperatur range -20º to 120ºC.
SKU | DIN / ISO-Nr. | Pitch [mm/Inch] | No. of Teeth | da [mm] | d [mm] | A [mm] | A1 [mm] | C [mm] | B [mm] | ND [mm] | B1 [mm] | L [mm] | Tragzahl dyn. [k N] | Tragzahl stat. [k N] | Weight [g] |
---|---|---|---|---|---|---|---|---|---|---|---|---|---|---|---|
14000000 | 05 B-1 | 8 mm | 23 | 62,2 | 58,75 | 2,8 | 7,0 | 0,8 | 16 +0,26 / +0,13 | 40 | 12 | 18,3 | 7,5 | 4,5 | 125 |
14000120 | 06 B-1 | 3/8 x 7/32" | 20 | 64,3 | 60,89 | 5,3 | 7,0 | 1,0 | 16 +0,26 / +0,13 | 40 | 12 | 18,3 | 7,5 | 4,5 | 135 |
14000100 | 06 B-1 | 3/8 x 7/32" | 21 | 68,0 | 63,91 | 5,3 | 7,0 | 1,0 | 16 +0,26 / +0,13 | 40 | 12 | 18,3 | 7,5 | 4,5 | 145 |
14000200 | 081 | 1/2 x 1/8" | 18 | 78,9 | 73,14 | 3,0 | 7,0 | 1,3 | 16 +0,26 / +0,13 | 40 | 12 | 18,3 | 7,5 | 4,5 | 170 |
14000316 | 083 | 1/2 x 3/16" | 16 | 70,9 | 65,10 | 4,5 | 7,0 | 1,3 | 16 +0,26 / +0,13 | 40 | 12 | 18,3 | 7,5 | 4,5 | 169 |
14000300 | 083 | 1/2 x 3/16" | 18 | 78,9 | 73,14 | 4,5 | 7,0 | 1,3 | 16 +0,26 / +0,13 | 40 | 12 | 18,3 | 7,5 | 4,5 | 195 |
14000514 | 08 B-1 | 1/2 x 5/16" | 14 | 61,8 | 57,07 | 7,2 | 7,2 | 1,3 | 16 +0,26 / +0,13 | 40 | 12 | 18,3 | 7,5 | 4,5 | 117 |
14000515 | 08 B-1 | 1/2 x 5/16" | 15 | 65,5 | 61,09 | 7,2 | 7,2 | 1,3 | 16 +0,26 / +0,13 | 40 | 12 | 18,3 | 7,5 | 4,5 | 145 |
14000516 | 08 B-1 | 1/2 x 5/16" | 16 | 69,5 | 65,10 | 7,2 | 7,2 | 1,3 | 16 +0,26 / +0,13 | 40 | 12 | 18,3 | 7,5 | 4,5 | 163 |
14000500 | 08 B-1 | 1/2 x 5/16" | 18 | 77,8 | 73,14 | 7,2 | 7,2 | 1,3 | 16 +0,26 / +0,13 | 40 | 12 | 18,3 | 7,5 | 4,5 | 210 |
14000520 | 08 B-1 | 1/2 x 5/16" | 20 | 85,8 | 81,19 | 7,2 | 7,2 | 1,3 | 16 +0,26 / +0,13 | 40 | 12 | 18,3 | 7,5 | 4,5 | 265 |
14000521 | 08 B-1 | 1/2 x 5/16" | 21 | 89,7 | 85,22 | 7,2 | 7,2 | 1,3 | 16 +0,26 / +0,13 | 40 | 12 | 18,3 | 7,5 | 4,5 | 289 |
14000613 | 10 B-1 | 5/8 x 3/8" | 13 | 73,0 | 66,32 | 9,1 | 9,1 | 1,6 | 16 +0,26 / +0,13 | 40 | 12 | 18,3 | 7,5 | 4,5 | 215 |
14000614 | 10 B-1 | 5/8 x 3/8" | 14 | 78,0 | 71,34 | 9,1 | 9,1 | 1,6 | 16 +026 / +0,13 | 40 | 12 | 18,3 | 7,5 | 4,5 | 245 |
14000615 | 10 B-1 | 5/8 x 3/8" | 15 | 83,0 | 76,36 | 9,1 | 9,1 | 1,6 | 16 +0,26 / +0,13 | 40 | 12 | 18,3 | 7,5 | 4,5 | 285 |
14000616 | 10 B-1 | 5/8 x 3/8" | 16 | 88,0 | 81,37 | 9,1 | 9,1 | 1,6 | 16 +0,26 / +0,13 | 40 | 12 | 18,3 | 7,5 | 4,5 | 325 |
14000600 | 10 B-1 | 5/8 x 3/8" | 17 | 93,0 | 86,39 | 9,1 | 9,1 | 1,6 | 16 +0,26 / +0,13 | 40 | 12 | 18,3 | 7,5 | 4,5 | 355 |
14000618 | 10 B-1 | 5/8 x 3/8" | 18 | 98,3 | 91,42 | 9,1 | 9,1 | 1,6 | 16 +0,26 / +0,13 | 40 | 12 | 18,3 | 7,5 | 4,5 | 405 |
14000621 | 10 B-1 | 5/8 x 3/8" | 21 | 113,4 | 106,52 | 9,1 | 9,1 | 1,6 | 16 +0,26 / +0,13 | 40 | 12 | 18,3 | 7,5 | 4,5 | 565 |
14000712 | 12 B-1 | 3/4 x 7/16" | 12 | 81,5 | 73,61 | 11,1 | 11,1 | 2,0 | 16 +0,26 / +0,13 | 40 | 12 | 18,3 | 7,5 | 4,5 | 280 |
14000713 | 12 B-1 | 3/4 x 7/16" | 13 | 87,5 | 79,59 | 11,1 | 11,1 | 2,0 | 16 +0,26 / +0,13 | 40 | 12 | 18,3 | 7,5 | 4,5 | 340 |
14000700 | 12 B-1 | 3/4 x 7/16" | 15 | 99,8 | 91,63 | 11,1 | 11,1 | 2,0 | 16 +0,26 / +0,13 | 40 | 12 | 18,3 | 7,5 | 4,5 | 470 |
14000716 | 12 B-1 | 3/4 x 7/16" | 16 | 105,5 | 97,65 | 11,1 | 11,1 | 2,0 | 16 +0,26 / +0,13 | 40 | 12 | 18,3 | 7,5 | 4,5 | 540 |
14000800 | 16 B-1 | 1" x 17,02 mm | 12 | 109,0 | 98,14 | 16,2 | 16,2 | 2,5 | 20 +0 / -0,01 | 47 | 14 | 17,7 | 10,1 | 6,3 | 705 |
14000815 | 16 B-1 | 1" x 17,02 mm | 15 | 133,0 | 122,17 | 16,2 | 16,2 | 2,5 | 20 +0 / -0,01 | 47 | 14 | 17,7 | 10,1 | 6,3 | 1185 |
14000817 | 16 B-1 | 1" x 17,02 mm | 17 | 149,0 | 138,22 | 16,2 | 16,2 | 2,5 | 20 +0 / -0,01 | 47 | 14 | 17,7 | 10,1 | 6,3 | 1545 |
14000900 | 20 B-1 | 1 1/4 x 3/4" | 13 | 147,8 | 132,65 | 18,5 | 18,5 | 3,5 | 25 +0 / -0,01 | 52 | 15 | 21,0 | 11,0 | 7,1 | 1610 |