Vidlice DIN 71752 s vonkajším závitom, pozinkované


Material: Steel zinc-plated. Thread: Gewindeausführung rechts = thread right-handed.
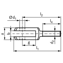
SKU | Thread Type | Size [mm] | a [mm] | b [mm] | d1 [mm] | d2 [mm] | Thread Slope[mm] | g [mm] | l1 [mm] | l2 [mm] | l4 [mm] | Fadmiss. [N] | Weight [g] |
---|---|---|---|---|---|---|---|---|---|---|---|---|---|
63750500 | rechts | 6 x 12 | 12 | 6 | 6 | M6 | 1,0 | 12 | 44 | 37 | 15 | 3537 | 15 |
63750700 | rechts | 8 x 16 | 16 | 8 | 8 | M8 | 1,25 | 16 | 57 | 47 | 20 | 6441 | 36 |
63750900 | rechts | 10 x 20 | 20 | 10 | 10 | M10 | 1,5 | 20 | 69 | 57 | 25 | 10208 | 68 |
63751100 | rechts | 12 x 24 | 24 | 12 | 12 | M12 | 1,75 | 24 | 82 | 68 | 30 | 12139 | 122 |
63751300 | rechts | 14 x 28 | 27 | 14 | 14 | M14 | 2,0 | 28 | 94 | 78 | 35 | 16560 | 171 |
63751500 | rechts | 16 x 32 | 32 | 16 | 16 | M16 | 2,0 | 32 | 108 | 89 | 40 | 22608 | 288 |