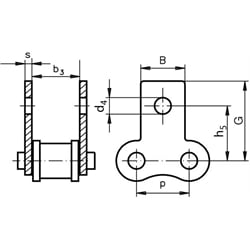
Spojovacie články M1, 2-stranné
Material: Special chain steel.
With spring clip. According to DIN ISO 606 (ex DIN 8187).
| SKU | Type | DIN ISO | p [mm] | h5 [mm] | G [mm] | d4 [mm] | B [mm] | s [mm] | b3 min. [mm] | Weight [g] |
|---|---|---|---|---|---|---|---|---|---|---|
| 10100332 | zweiseitig | 06 B-1 | 9,525 | 9,5 | 13,5 | 3,5 | 8,0 | 1,2 | 8,66 | 5,6 |
| 10500332 | zweiseitig | 08 B-1 | 12,7 | 13,0 | 17,9 | 4,3 | 9,5 | 1,6 | 11,43 | 13,9 |
| 10600332 | zweiseitig | 10 B-1 | 15,875 | 16,5 | 21,9 | 5,5 | 14,3 | 1,7 | 13,41 | 21,2 |
| 10700332 | zweiseitig | 12 B-1 | 19,05 | 21 | 26,6 | 6,6 | 16,0 | 1,8 | 15,75 | 28,0 |
| 10800332 | zweiseitig | 16 B-1 | 25,4 | 23 | 31,8 | 6,6 | 19,1 | 2,8 | 25,58 | 89,0 |