Product image
Product image

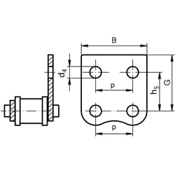
Material: Special chain steel.

With spring clip. According to DIN ISO 606 (ex DIN 8187).

SKU Type DIN ISO p [mm] h5 [mm] G [mm] d4 [mm] B [mm] s [mm] b3 min. [mm] Weight [g]
10100351 einseitig 06 B-1 9,525 9,5 13,5 3,5 17,7 1,2 8,66 5,6
10500351 einseitig 08 B-1 12,7 13,0 17,9 4,3 23,2 1,6 11,43 11,0
10600351 einseitig 10 B-1 15,875 16,5 21,9 5,5 29,5 1,7 13,41 21,0
10700351 einseitig 12 B-1 19,05 21 26,6 6,6 33,8 1,8 15,75 30,0
10800351 einseitig 16 B-1 25,4 23 31,8 6,6 46,2 2,8 25,58 89,0