Ozubená spojka so zakriveným ozubením BOZ, 3-dielna


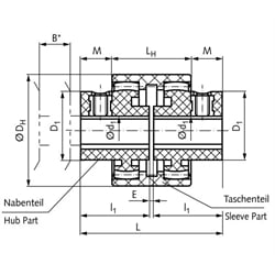
Material: Polyamide 6.6. Please realize: A complete coupling consists of one sleeve part and two hub parts. All 3 components have to be ordered separately. So, at each outer size, various bore diameters can be chosen and combined. Sleeve part = Taschenteil. Hub part = Nabenteil. Bore tolerance + 0.05/-0.10 mm with feather keyways according to DIN 6885/1±0,08 mm. Grub Screws, Stainless steel V4A. Largest axial displacement = max. ±1 mm. Largest angular displacement = max. ±1° at each hub. Largest radial displacement at speed 1500/min: Size 14 and 19: max. 0,3mm. Size 24: max. 0,35mm. The permissible displacement values are dependent on power and speed. Temperature range: -25°C up to +100°C (up to +120°C at short time).
SKU | Baugröße | Bauteil | Bohrung d1 [mm] | Bohrung d2 [mm] | D1 [mm] | D2 [mm] | Drehmom. normal [Nm] | Drehmom. Spitze [Nm] | DH [mm] | l1 [mm] | Gewicht [g] |
---|---|---|---|---|---|---|---|---|---|---|---|
60700000 | 14 | Taschenteil | - | - | - | - | 5 | 10 | 40 | - | 27 |
60700600 | 14 | Nabenteil | 6 | - | 21 x 17 | - | 5 | 10 | - | 23 | 13,5 |
60700700 | 14 | Nabenteil | 7 | - | 21 x 17 | - | 5 | 10 | - | 23 | 13,5 |
60700800 | 14 | Nabenteil | 8 | - | 21 x 17 | - | 5 | 10 | - | 23 | 13,5 |
60700900 | 14 | Nabenteil | 9 | - | 21 x 17 | - | 5 | 10 | - | 23 | 13,5 |
60701000 | 14 | Nabenteil | 10 | - | 23 x 19,5 | - | 5 | 10 | - | 23 | 13,5 |
60701100 | 14 | Nabenteil | 11 | - | 23 x 19,5 | - | 5 | 10 | - | 23 | 13,5 |
60701200 | 14 | Nabenteil | 12 | - | 26 x 22 | - | 5 | 10 | - | 23 | 13,5 |
60701400 | 14 | Nabenteil | 14 | - | 26 x 22 | - | 5 | 10 | - | 23 | 13,5 |
60720000 | 19 | Taschenteil | - | - | - | - | 8 | 16 | 47 | - | 34 |
60721200 | 19 | Nabenteil | 12 | - | 27 x 24 | - | 8 | 16 | - | 25 | 15,5 |
60721400 | 19 | Nabenteil | 14 | - | 27 x 24 | - | 8 | 16 | - | 25 | 15,5 |
60721600 | 19 | Nabenteil | 16 | - | 29 x 27 | - | 8 | 16 | - | 25 | 15,5 |
60721900 | 19 | Nabenteil | 19 | - | 32 x 30 | - | 8 | 16 | - | 25 | 15,5 |
60740000 | 24 | Taschenteil | - | - | - | - | 12 | 24 | 53 | - | 40 |
60741000 | 24 | Nabenteil | 10 | - | 25,5 x 22 | - | 12 | 24 | - | 26 | 25 |
60741100 | 24 | Nabenteil | 11 | - | 25,5 x 22 | - | 12 | 24 | - | 26 | 25 |
60741200 | 24 | Nabenteil | 12 | - | 25,5 x 22 | - | 12 | 24 | - | 26 | 25 |
60741400 | 24 | Nabenteil | 14 | - | 30 x 27 | - | 12 | 24 | - | 26 | 25 |
60741500 | 24 | Nabenteil | 15 | - | 30 x 27 | - | 12 | 24 | - | 26 | 25 |
60741600 | 24 | Nabenteil | 16 | - | 30 x 27 | - | 12 | 24 | - | 26 | 25 |
60741800 | 24 | Nabenteil | 18 | - | 34,5 x 31 | - | 12 | 24 | - | 26 | 25 |
60741900 | 24 | Nabenteil | 19 | - | 34,5 x 31 | - | 12 | 24 | - | 26 | 25 |
60742000 | 24 | Nabenteil | 20 | - | 34,5 x 31 | - | 12 | 24 | - | 26 | 25 |
60742400 | 24 | Nabenteil | 24 | - | 37,5 x 36 | - | 12 | 24 | - | 26 | 25 |