Ozubená spojka so zakriveným ozubením BW, 2-dielna


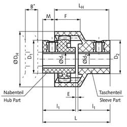
Material: Polyamide 6.6. Please realize: A complete coupling consists of one sleeve part and one hub part. Both components have to be ordered separately. So, at each outer size, various bore diameters can be chosen and combined. Sleeve part = Taschenteil. Hub part = Nabenteil. Bore tolerance + 0.05/-0.10 mm with feather keyways according to DIN 6885/1 ±0,08 mm. Grub Screws, Stainless steel V4A. Largest axial displacement = max. ±1 mm. Largest angular displacement = max. ±1° at each hub. No radial displacement! The permissible displacement values are dependent on power and speed. Temperature range: -25°C up to +100°C (up to +120°C at short time).
SKU | Baugröße | Bauteil | Bohrung d1 [mm] | Bohrung d2 [mm] | D1 [mm] | D2 [mm] | Drehmom. normal [Nm] | Drehmom. Spitze [Nm] | DH [mm] | l1 [mm] | Gewicht [g] |
---|---|---|---|---|---|---|---|---|---|---|---|
60611000 | 14 | Taschenteil | - | 10 | - | 24 x 19 | 5 | 10 | 40 | 23 | 28 |
60611100 | 14 | Taschenteil | - | 11 | - | 24 x 19 | 5 | 10 | 40 | 23 | 28 |
60611200 | 14 | Taschenteil | - | 12 | - | 26 x 22 | 5 | 10 | 40 | 23 | 28 |
60611400 | 14 | Taschenteil | - | 14 | - | 26 x 22 | 5 | 10 | 40 | 23 | 28 |
60700600 | 14 | Nabenteil | 6 | - | 21 x 17 | - | 5 | 10 | - | 23 | 13,5 |
60700700 | 14 | Nabenteil | 7 | - | 21 x 17 | - | 5 | 10 | - | 23 | 13,5 |
60700800 | 14 | Nabenteil | 8 | - | 21 x 17 | - | 5 | 10 | - | 23 | 13,5 |
60700900 | 14 | Nabenteil | 9 | - | 21 x 17 | - | 5 | 10 | - | 23 | 13,5 |
60701000 | 14 | Nabenteil | 10 | - | 23 x 19,5 | - | 5 | 10 | - | 23 | 13,5 |
60701100 | 14 | Nabenteil | 11 | - | 23 x 19,5 | - | 5 | 10 | - | 23 | 13,5 |
60701200 | 14 | Nabenteil | 12 | - | 26 x 22 | - | 5 | 10 | - | 23 | 13,5 |
60701400 | 14 | Nabenteil | 14 | - | 26 x 22 | - | 5 | 10 | - | 23 | 13,5 |
60631400 | 19 | Taschenteil | - | 14 | - | 28,5 x 26 | 8 | 16 | 47 | 25 | 32 |
60631500 | 19 | Taschenteil | - | 15 | - | 28,5 x 26 | 8 | 16 | 47 | 25 | 32 |
60631900 | 19 | Taschenteil | - | 19 | - | 33 x 30 | 8 | 16 | 47 | 25 | 32 |
60721200 | 19 | Nabenteil | 12 | - | 27 x 24 | - | 8 | 16 | - | 25 | 15,5 |
60721400 | 19 | Nabenteil | 14 | - | 27 x 24 | - | 8 | 16 | - | 25 | 15,5 |
60721600 | 19 | Nabenteil | 16 | - | 29 x 27 | - | 8 | 16 | - | 25 | 15,5 |
60721900 | 19 | Nabenteil | 19 | - | 32 x 30 | - | 8 | 16 | - | 25 | 15,5 |
60651400 | 24 | Taschenteil | - | 14 | - | 30 x 27 | 12 | 24 | 53 | 26 | 45 |
60651900 | 24 | Taschenteil | - | 19 | - | 34,5 x 31 | 12 | 24 | 53 | 26 | 45 |
60652000 | 24 | Taschenteil | - | 20 | - | 34,5 x 31 | 12 | 24 | 53 | 26 | 45 |
60652400 | 24 | Taschenteil | - | 24 | - | 39 x 36 | 12 | 24 | 53 | 26 | 45 |
60741000 | 24 | Nabenteil | 10 | - | 25,5 x 22 | - | 12 | 24 | - | 26 | 25 |
60741100 | 24 | Nabenteil | 11 | - | 25,5 x 22 | - | 12 | 24 | - | 26 | 25 |
60741200 | 24 | Nabenteil | 12 | - | 25,5 x 22 | - | 12 | 24 | - | 26 | 25 |
60741400 | 24 | Nabenteil | 14 | - | 30 x 27 | - | 12 | 24 | - | 26 | 25 |
60741500 | 24 | Nabenteil | 15 | - | 30 x 27 | - | 12 | 24 | - | 26 | 25 |
60741600 | 24 | Nabenteil | 16 | - | 30 x 27 | - | 12 | 24 | - | 26 | 25 |
60741800 | 24 | Nabenteil | 18 | - | 34,5 x 31 | - | 12 | 24 | - | 26 | 25 |
60741900 | 24 | Nabenteil | 19 | - | 34,5 x 31 | - | 12 | 24 | - | 26 | 25 |
60742000 | 24 | Nabenteil | 20 | - | 34,5 x 31 | - | 12 | 24 | - | 26 | 25 |
60742400 | 24 | Nabenteil | 24 | - | 37,5 x 36 | - | 12 | 24 | - | 26 | 25 |