Die Cast Sprockets KRK Made of Polyacetal Resin, Pitch 6 mm, ISO 04


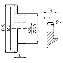
Bores ISO H8. Metal inlays at the hub with custom bore, feather keyways or threads for set screw available on request, depending on the amount and size ordered. General dimensions: B1 = 2,6 mm, c = 0,6 mm, r3 = 6 mm. Other dimensions: See the table.
SKU | No. of Teeth | da [mm] | d [mm] | B [mm] | ND [mm] | L [mm] | Weight [g] |
---|---|---|---|---|---|---|---|
10051300 | 13 | 27,5 | 25,05 | 8 | 18 | 10 | 3 |
10051500 | 15 | 31,0 | 28,86 | 8 | 21 | 10 | 5 |
10051700 | 17 | 35,0 | 32,65 | 8 | 24 | 13 | 8 |
10051900 | 19 | 39,0 | 36,44 | 8 | 24 | 13 | 9 |
10052100 | 21 | 42,5 | 40,25 | 10 | 28 | 13 | 11 |
10052300 | 23 | 46,5 | 44,06 | 10 | 28 | 13 | 12 |
10052500 | 25 | 50,0 | 47,87 | 10 | 28 | 13 | 13 |