Double-Strand Sprockets ZRG, teeth induction hardened, ISO 20 B-2
Material: Steel C45, teeth induction hardened (≈ HRC 50).
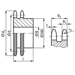
Pre-bored. Sprockets marked with 1) made from St52 with welded in hub. General dimensions: B1 = 18.2 mm, B2 = 54.6 mm c = 3.5 mm, r3 = 32 mm.
Other dimensions: See the table.
| SKU | Zähnezahl | da [mm] | d [mm] | ND [mm] | B [mm] | L [mm] | Gewicht [kg] |
|---|---|---|---|---|---|---|---|
| 12988108 | 8 | 96,5 | 82,97 | 53 | 20 | 75 | 1,82 |
| 12988109 | 9 | 106,7 | 92,83 | 63 | 20 | 75 | 2,46 |
| 12988110 | 10 | 116,9 | 102,75 | 70 | 20 | 75 | 3,14 |
| 12988111 | 11 | 127,1 | 112,70 | 80 | 20 | 80 | 4,13 |
| 12988112 | 12 | 137,2 | 122,67 | 90 | 20 | 80 | 5,09 |
| 12988113 | 13 | 147,4 | 132,67 | 100 | 20 | 80 | 6,16 |
| 12988114 | 14 | 157,5 | 142,68 | 110 | 20 | 80 | 7,32 |
| 12988115 | 15 | 167,7 | 152,71 | 120 | 20 | 80 | 8,57 |
| 12988116 | 16 | 177,8 | 162,75 | 120 | 25 | 80 | 9,43 |
| 12988117 | 17 | 188,0 | 172,79 | 120 | 25 | 80 | 10,46 |
| 12988118 | 18 | 198,1 | 182,84 | 120 | 25 | 80 | 11,58 |
| 12988119 | 19 | 208,2 | 192,90 | 120 | 25 | 80 | 12,75 |
| 12988120 | 20 | 218,4 | 202,96 | 120 | 25 | 80 | 13,99 |
| 12988121 | 21 | 228,5 | 213,03 | 140 | 25 | 80 | 16,10 |
| 12988122 | 22 | 238,6 | 223,10 | 140 | 25 | 80 | 17,48 |
| 12988123 | 23 | 248,7 | 233,17 | 140 | 25 | 80 | 18,92 |
| 12988124 | 24 | 258,9 | 243,25 | 140 | 25 | 80 | 20,42 |
| 12988125 | 25 | 269,0 | 253,32 | 140 | 25 | 80 | 22,06 |
| 12988126 | 26 | 279,1 | 263,41 | 150 | 25 | 80 | 24,09 |
| 12988127 | 27 | 289,2 | 273,49 | 150 | 25 | 80 | 25,88 |
| 12988128 | 28 | 299,3 | 283,57 | 150 | 25 | 80 | 27,66 |
| 12988130 | 30 | 319,6 | 303,75 | 150 | 25 | 80 | 31,44 |
| 12988132 | 32 | 339,8 | 323,92 | 150 | 25 | 80 | 35,49 |
| 12988134 | 34 | 360,0 | 344,10 | 150 | 25 | 80 | 39,81 |
| 12988135 | 35 | 370,1 | 354,20 | 150 | 25 | 80 | 42,08 |
| 12988136 | 36 | 380,3 | 364,29 | 150 | 30 | 80 | 44,35 |
| 12988138 | 38 | 400,5 | 384,48 | 150 | 30 | 80 | 49,22 |
| 12988140 | 40 | 420,7 | 404,67 | 150 | 30 | 80 | 54,35 |