Elastické spojky DXA


Material: Up to size 28: Hubs made from Aluminium. From size 32: Hubs made from grey cast iron GG25. Insert made from Polyurethane, shore hardness 92º A, white.
- Insertable elastic coupling, for high torques.
- Not backlash-free. Does not transfer any axial forces.
- Robust component for relatively large shaft offset.
Particularly suitable for large radial offset. Improved version. Special tooth profile and machined claws result in longer lifetime. Temperature range: -20ºC to +80ºC.
Couplings are available pre-drilled ex stock.Customized bores and feather-key grooves available at extra charge.
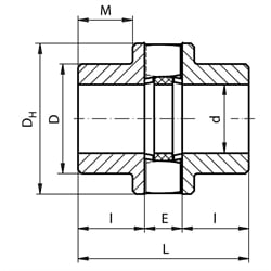
1) At mounting, the distance between the hubs must be measure E to allow the max. shaft misalignment.
SKU | Größe | Werkstoff | Nenn-Drehmoment [Nm] | Drehmoment max. [Nm] | Wechsel-Drehmoment [Nm] | d vorgebohrt [mm] | d max. [mm] | DH [mm] | D [mm] | L [mm] | l [mm] | M [mm] | E1) [mm] | max. Verlagerung radial [mm] | max. Verlagerung axial [mm] | max. Winkelverlagerung [Grad] | Drehzahl max. [min-1] | Gewicht [kg] | Ersatz-Zahnkranz 92° Shore [Art.-Nr.] | Vorgänger [Art.-Nr.] |
---|---|---|---|---|---|---|---|---|---|---|---|---|---|---|---|---|---|---|---|---|
60402401 | 24 | Alu | 80 | 160 | 25 | - | 24 | 55 | 55 | 66 | 24 | - | 18 | 0,3 | 1,2 | 0,7 | 12500 | 0,55 | 60412400 | 60402400 |
60402801 | 28 | Alu | 120 | 240 | 37 | - | 28 | 62 | 62 | 76 | 28 | - | 20 | 0,3 | 1,2 | 0,7 | 11100 | 0,76 | 60412800 | 60402800 |
60403201 | 32 | GG25 | 170 | 340 | 51 | 9 | 32 | 70 | 52 | 86 | 32 | 22 | 22 | 0,3 | 1,2 | 0,7 | 9800 | 1,09 | 60413200 | 60403200 |
60403801 | 38 | GG25 | 325 | 650 | 100 | 14 | 38 | 84 | 60 | 100 | 38 | 27 | 24 | 0,4 | 1,5 | 0,7 | 8100 | 1,76 | 60413800 | 60403800 |
60404201 | 42 | GG25 | 460 | 920 | 140 | 14 | 42 | 92 | 68 | 110 | 42 | 31 | 26 | 0,4 | 1,5 | 0,7 | 7400 | 2,38 | 60414200 | 60404200 |
60404801 | 48 | GG25 | 650 | 1300 | 200 | 17 | 48 | 105 | 76 | 124 | 48 | 36 | 28 | 0,4 | 1,5 | 0,7 | 6500 | 3,38 | 60414800 | 60404800 |
60405501 | 55 | GG25 | 880 | 1760 | 270 | 17 | 55 | 120 | 88 | 140 | 55 | 43 | 30 | 0,5 | 1,9 | 0,7 | 5700 | 4,89 | 60415500 | 60405500 |
60406001 | 60 | GG25 | 1150 | 2300 | 350 | 22 | 60 | 130 | 96 | 152 | 60 | 47 | 32 | 0,5 | 1,8 | 0,7 | 5200 | 6,29 | 60416000 | 60406000 |
60406501 | 65 | GG25 | 1600 | 3200 | 480 | 24 | 65 | 142 | 104 | 165 | 65 | 51 | 35 | 0,5 | 1,8 | 0,7 | 4800 | 8,15 | 60416500 | 60406500 |
60407501 | 75 | GG25 | 2450 | 4900 | 750 | 30 | 75 | 165 | 120 | 190 | 75 | 59 | 40 | 0,6 | 2,1 | 0,7 | 4100 | 12,6 | 60417500 | 60407500 |
60408501 | 85 | GG25 | 3350 | 6700 | 1000 | 40 | 85 | 185 | 136 | 214 | 85 | 68 | 44 | 0,7 | 2,1 | 0,7 | 3700 | 17,9 | 60418500 | 60408500 |
60410001 | 100 | GG25 | 5500 | 11000 | 1700 | 58 | 100 | 220 | 160 | 250 | 100 | 80 | 50 | 0,8 | 2,4 | 0,7 | 3100 | 29,3 | 60420000 | 60410000 |