Elastické spojky MAEPEX®


Material: Coupling hubs: Grey Cast Iron GG25 (GJL-250). Elastomeres: NBR, hardness 80ºA Shore, black.
Torsionally flexible cam coupling, fail-safe, with damping effect.
The MÄDLER® version is improved: Machined claws result in longer lifetime.
In this YouTube video, we show you how to fit the 2-part MAEPEX coupling, how to replace the elastomers and how to determine the torsional backlash: Film (2,3 Minuten)
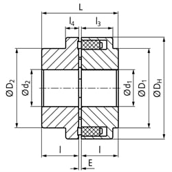
Couplings are non-bored or pre-bored, depending on the size.
* The size 280 has different pilot bores: Pilot bore 52mm on the left side / 47mm on the right side.
Customized bores and feather-key grooves available at extra charge.
Temperature range: -30ºC to +80ºC.
SKU | Baugröße | Drehmoment Nenn [Nm] | Drehmomentmax. [Nm] | Bohrungenvorgeb.[mm] | Bohrungend1 max.[mm] | Bohrungend2 max.[mm] | DH[mm] | D1[mm] | D2[mm] | E [mm] | L [mm] | l [mm] | l3 [mm] | l4 [mm] | Smax. [mm] | Drehzahlmax. [min-1] | Gewichtmax. [kg] |
---|---|---|---|---|---|---|---|---|---|---|---|---|---|---|---|---|---|
60560001 | 58 | 19 | 57 | - | 19 | 24 | 58 | - | 40 | 2 - 4 | 42 | 20 | 20 | 8 | 5,5 | 5000 | - |
60560002 | 68 | 34 | 102 | - | 24 | 28 | 68 | - | 50 | 2 - 4 | 42 | 20 | 20 | 8 | 5,5 | 5000 | 0,744 |
60560003 | 80 | 60 | 180 | - | 30 | 38 | 80 | - | 68 | 2 - 4 | 62 | 30 | 30 | 10 | 5,0 | 5000 | - |
60560004 | 95 | 100 | 300 | - | 42 | 42 | 95 | 76 | 76 | 2 - 4 | 72 | 35 | 30 | 12 | 6,0 | 5000 | - |
60560005 | 110 | 160 | 480 | - | 48 | 48 | 110 | 86 | 86 | 2 - 4 | 82 | 40 | 34 | 14 | 7,0 | 5000 | - |
60560006 | 125 | 240 | 720 | - | 55 | 55 | 125 | 100 | 100 | 2 - 4 | 102 | 50 | 36 | 18 | 8,0 | 5000 | - |
60560007 | 140 | 360 | 1080 | - | 60 | 60 | 140 | 100 | 100 | 2 - 4 | 112 | 55 | 34 | 20 | 8,0 | 4900 | - |
60560008 | 160 | 560 | 1680 | - | 65 | 65 | 160 | 108 | 108 | 2 - 6 | 122 | 60 | 40 | 20 | 8,0 | 4250 | - |
60560009 | 180 | 880 | 2640 | - | 75 | 75 | 180 | 125 | 125 | 2 - 6 | 142 | 70 | 42 | 20 | 8,0 | 3800 | - |
60560010 | 200 | 1340 | 4020 | - | 85 | 85 | 200 | 140 | 140 | 2 - 6 | 162 | 80 | 47 | 24 | 8,5 | 3400 | - |
60560011 | 225 | 2000 | 6000 | - | 90 | 90 | 225 | 150 | 150 | 2 - 6 | 182 | 90 | 52 | 18 | 9,0 | 3000 | - |
60560012 | 250 | 2800 | 8400 | 44 | 100 | 100 | 250 | 165 | 165 | 3 - 8 | 203 | 100 | 60 | 18 | 10,0 | 2750 | - |
60560013 | 280 | 3900 | 10000 | 52 ; 47* | 110 | 110 | 280 | 180 | 172 | 3 - 8 | 223 | 110 | 65 | 20 | 11,5 | 2450 | - |