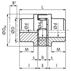
Elastické spojky RN, hliník


Material: Hubs made from aluminium, spider (elastic insert) made from polyurethane, Shore hardness 92°A, yellow. Spare part spiders available in Shore hardness 92°A, 98°A and 64°D. Couplings are available undrilled or pre-drilled ex stock. Customized bores and feather-key grooves available at extra charge. Temperature range: -40°C to +90°C. * B is the avarage dimension by which, e.g., a driven or driving machine has to be moved in order to demount one of the coupled units in vertical direction. 1) Weights refer to max. customized bore without keyways.
SKU | Baugröße | Torque Nominal [Nm] | Torque max. [Nm] | d Pilot Bore [mm] | d max. [mm] | Max. Speed at 30 m/s [rpm] | Angular Compensation at max. Nm [°] | B* [mm] | l [mm] | E [mm] | s [mm] | b [mm] | L [mm] | M [mm] | DH [mm] | D [mm] | d H [mm] | Weight [g] | Spare Part Toothed Ring | For Art.-No. |
---|---|---|---|---|---|---|---|---|---|---|---|---|---|---|---|---|---|---|---|---|
60519700 | 7 | 1,12 | 2,24 | - | 6,35 | 40000 | 2 | 7 | 7 | 8 | 1 | 6 | 22 | - | 14 | 14 | - | 7 | 60519207 | - |
60519800 | 9 | 2,93 | 6 | - | 9 | 28000 | 2 | 9 | 10 | 10 | 1 | 8 | 30 | - | 20 | 20 | 7 | 17 | 60519209 | - |
60519900 | 14 | 7,5 | 15 | - | 15 | 19000 | 10 | 11 | 11 | 13 | 1,5 | 10 | 35 | - | 30 | 30 | 10 | 50 | 60509214 | 60509814 |
60520000 | 19 | 10 | 20 | 5 | 19 | 14000 | 5 | 13 | 25 | 16 | 2,0 | 12 | 66 | 20 | 40 | 32 | 18 | 150 | 60509219 | 60509819 |
60520100 | 24 | 35 | 70 | 7 | 24 | 10600 | 5 | 15 | 30 | 18 | 2,0 | 14 | 78 | 24 | 55 | 40 | 27 | 270 | 60509224 | 60509824 |
60520200 | 28 | 95 | 190 | 9 | 28 | 8500 | 5 | 16 | 35 | 20 | 2,5 | 15 | 90 | 28 | 65 | 48 | 30 | 460 | 60509228 | 60509828 |
60520300 | 38 | 190 | 380 | 13,6 | 38 | 7100 | 5 | 19 | 45 | 24 | 3,0 | 18 | 114 | 37 | 80 | 66 | 38 | 980 | 60509238 | 60509838 |
60520400 | 42 | 265 | 530 | 20 | 42 | 6000 | 5 | 21 | 50 | 26 | 3,0 | 20 | 126 | 40 | 95 | 75 | 46 | 1150 | 60509242 | 60509842 |
60520500 | 48 | 310 | 620 | 20 | 48 | 5600 | 5 | 22 | 56 | 28 | 3,5 | 21 | 140 | 45 | 105 | 85 | 51 | 1950 | 60509248 | 60509848 |