Elastické spojky RNI, nehrdzavejúca oceľ


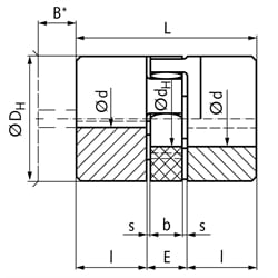
Material: Hubs of coupling: 1.4305, AISI 303 (1.4571, AISI 316 Ti on request). Spider: Polyurethane, Shore hardness 92°A. Spare spiders either 92°A or 98°A or 64°D Shore. The couplings are available without bore or pre-drilled ex stock. Custom bores or feather keyways available at extra charge. Temperature range: -20°C to +80°C. * B is the avarage dimension by which, e.g., a driven or driving machine has to be moved in order to demount one of the coupled units in vertical direction. Weights refer to max. customized bore without keyways.
SKU | Baugröße | Material | d Pilot Bore [mm] | Torque max. [Nm] | d max. [mm] | Max. Speed at 30 m/s [rpm] | Angular Compensation at max. Nm [°] | B* [mm] | l [mm] | E [mm] | s [mm] | b [mm] | L [mm] | M [mm] | DH [mm] | D [mm] | d H [mm] | Weight [kg] | Weight [g] |
---|---|---|---|---|---|---|---|---|---|---|---|---|---|---|---|---|---|---|---|
60599200 | 19 | 1.4305 | - | 20 | 25 | 14000 | 5 | 13 | 25 | 16 | 2,0 | 12 | 66 | - | 40 | 40 | 18 | 60509219 | 60509819 |
60599201 | 24 | 1.4305 | - | 70 | 35 | 10600 | 5 | 15 | 30 | 18 | 2,0 | 14 | 78 | - | 55 | 55 | 27 | 60509224 | 60509824 |
60599202 | 28 | 1.4305 | - | 190 | 40 | 8500 | 5 | 16 | 35 | 20 | 2,5 | 15 | 90 | - | 65 | 65 | 30 | 60509228 | 60509828 |
60599203 | 38 | 1.4305 | - | 380 | 48 | 7100 | 5 | 19 | 45 | 24 | 3,0 | 18 | 114 | 27 | 80 | 80 | 38 | 60509238 | 60509838 |
60599204 | 42 | 1.4305 | - | 530 | 55 | 6000 | 5 | 21 | 50 | 26 | 3,0 | 20 | 126 | 28 | 95 | 95 | 46 | 60509242 | 60509842 |
60599205 | 48 | 1.4305 | - | 620 | 62 | 5600 | 5 | 22 | 56 | 28 | 3,5 | 21 | 140 | 32 | 105 | 105 | 51 | 60509248 | 60509848 |