Prírubová doska pre NPT a NPK, verzia A a B


Material: Steel C45, zinc-plated.
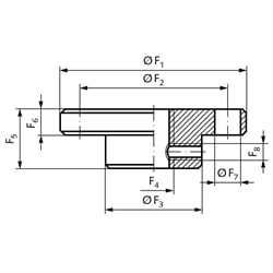
Mounting plate with metric fastening thread, for mounting on the end of the spindle.
SKU | Size | F1 [mm] | F2 [mm] | F3 [mm] | F4 [mm] | F5 [mm] | F6 [mm] | F7 [mm] | F8 [mm] | Gewicht [kg] |
---|---|---|---|---|---|---|---|---|---|---|
47500015 | 0 | 50 | 40 | 26 | M10 | 16 | 7 | 4 x Ø7 | M4 | 0,1 |
47500115 | 1 | 65 | 48 | 29 | M12 | 20 | 7 | 4 x Ø9 | M5 | 0,2 |
47500215 | 2 | 80 | 60 | 39 | M14 | 20 | 8 | 4 x Ø11 | M6 | 0,3 |
47500315 | 3 | 90 | 67 | 46 | M20 | 23 | 10 | 4 x Ø11 | M8 | 0,6 |
47500415 | 4 | 110 | 85 | 60 | M30 | 30 | 15 | 4 x Ø13 | M8 | 1,3 |