Product image
Product image

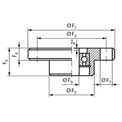
Material: Steel C45, zinc-plated.

Mounting plate for installation on a shaft journal on the end of spindle.

* Minimum distance to the shaft journal on the end of spindle.

SKU Size F1 [mm] F2 [mm] F3 [mm] F5 [mm] F6 [mm] F7 [mm] F9 [mm] Kugellagerbezeichnung Gewicht [kg]
47500017 0 50 40 26 16 7 4 x Ø7 10 61800-2RS 0,10
47500117 1 65 48 29 20 7 4 x Ø9 12 61801-2RS 0,19
47500217 2 80 60 39 20 8 4 x Ø11 15 6002-2RS 0,32
47500317 3 90 67 46 23 10 4 x Ø11 20 61904-2RS 0,50
47500417 4 110 85 60 30 15 4 x Ø13 25 6005-2RS 1,10