Prírubové puzdrá BBP, polyamid, do 80 °C


Material: Thermoplastic polyamide 6.6, die cast. Color: natural.Polyamide is very well suited for the manufacture of plain bearings due to its good sliding characteristics and strong wear resistance even at dry-running conditions and because of its sufficient mechanical strength and excellent corrosion resistance. Surface pressure max.: 18 N/mm², dependant on sliding speed and bearing temperature Sliding Speed:2 m/s Lubrication: usually not required Bearing clearance: about 0.01 mm per mm shaft-Ø Bearing temperature: Should not exceed 80°C. With thin-walled parts, the frictional heat is dissipated extremely well. Coefficient of linear expansion: 8 x 10^-5 Moisture absorption max.: 7.5% Moisture absorption at 20°C and 50% rel. humidity: 2.4% Mounting hole: tolerance H7
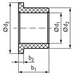
SKU | d1 [mm] | Minus Allowance d1 [mm] | Plus Allowance d1 [mm] | d2 [mm] | Allowance d2 [mm] | d3 [mm] | b1 [mm] | b2 [mm] | Weight [g] |
---|---|---|---|---|---|---|---|---|---|
62380600 | 6 | +0,06 | +0,1 | 10 | +0,1 | 15 | 8 | 1,5 | 0,8 |
62380800 | 8 | +0,06 | +0,1 | 12 | +0,1 | 16 | 6 | 2 | 0,8 |
62380900 | 8 | +0,06 | +0,1 | 14 | +0,1 | 20 | 10 | 2 | 1,7 |
62381100 | 10 | +0,08 | +0,12 | 12 | +0,1 | 16 | 6 | 2 | 0,6 |
62381200 | 10 | +0,08 | +0,12 | 14 | +0,1 | 20 | 10 | 2 | 1,3 |
62381300 | 10 | +0,08 | +0,12 | 16 | +0,12 | 20 | 10 | 2 | 1,8 |
62381500 | 12 | +0,1 | +0,14 | 14 | +0,1 | 20 | 10 | 2 | 1 |
62381600 | 12 | +0,1 | +0,14 | 16 | +0,12 | 20 | 10 | 2 | 1,5 |
62381900 | 14 | +0,11 | +0,17 | 20 | +0,12 | 30 | 24 | 2 | 2,8 |
62382500 | 16 | +0,13 | +0,19 | 20 | +0,12 | 28 | 15 | 2 | 2,8 |
62382600 | 16 | +0,13 | +0,19 | 22 | +0,14 | 30 | 15 | 2 | 4 |
62382700 | 16 | +0,13 | +0,19 | 24 | +0,14 | 30 | 15 | 2 | 5 |
62383200 | 20 | +0,16 | +0,23 | 24 | +0,14 | 30 | 15 | 2 | 3 |
62383300 | 20 | +0,16 | +0,23 | 25 | +0,14 | 30 | 15 | 2 | 3,5 |
62383400 | 20 | +0,16 | +0,23 | 26 | +0,14 | 30 | 12 | 2 | 3,5 |
62383500 | 20 | +0,16 | +0,23 | 26 | +0,14 | 32 | 15 | 2 | 4,5 |
62383600 | 20 | +0,16 | +0,23 | 26 | +0,14 | 32 | 20 | 3 | 5,8 |
62383700 | 20 | +0,16 | +0,23 | 30 | +0,15 | 36 | 20 | 3 | 9,7 |
62384000 | 25 | +0,18 | +0,25 | 30 | +0,15 | 36 | 20 | 3 | 6 |
62384100 | 25 | +0,18 | +0,25 | 32 | +0,15 | 40 | 20 | 3 | 8,5 |
62384200 | 25 | +0,18 | +0,25 | 35 | +0,18 | 45 | 20 | 3 | 12,7 |
62384300 | 25 | +0,18 | +0,25 | 35 | +0,18 | 45 | 30 | 4 | 18,5 |
62384600 | 28 | +0,2 | +0,28 | 32 | +0,15 | 40 | 30 | 4 | 8 |
62384800 | 28 | +0,2 | +0,28 | 38 | +0,18 | 48 | 30 | 4 | 20 |
62385000 | 30 | +0,21 | +0,3 | 32 | +0,15 | 40 | 30 | 4 | 5 |
62385100 | 30 | +0,21 | +0,3 | 35 | +0,18 | 45 | 30 | 4 | 11,5 |
62385200 | 30 | +0,21 | +0,3 | 38 | +0,18 | 48 | 30 | 4 | 17 |
62385400 | 32 | +0,22 | +0,32 | 35 | +0,18 | 45 | 30 | 4 | 8,5 |
62385500 | 32 | +0,22 | +0,32 | 38 | +0,18 | 48 | 30 | 4 | 18,5 |
62385600 | 32 | +0,22 | +0,32 | 40 | +0,18 | 50 | 30 | 4 | 19 |
62386200 | 40 | +0,24 | +0,36 | 44 | +0,2 | 54 | 40 | 5 | 16,5 |
62386300 | 40 | +0,24 | +0,36 | 48 | +0,2 | 58 | 40 | 5 | 30 |
62386400 | 40 | +0,24 | +0,36 | 50 | +0,2 | 60 | 40 | 5 | 36 |
62386800 | 50 | +0,3 | +0,43 | 56 | +0,22 | 70 | 50 | 5 | 34,5 |
62386900 | 50 | +0,3 | +0,43 | 60 | +0,22 | 70 | 50 | 5 | 52 |
62387400 | 60 | +0,34 | +0,48 | 70 | +0,24 | 80 | 60 | 5 | 74 |